|
Finale Verwirrung an meiner MX
|
|
19-11-2018, 18:13
Beitrag: #1
|
|||
|
|||
|
Finale Verwirrung an meiner MX
Hallo Liebes Forum,
ich habe anhand eurer hervorragenden Arbeit hier mein Terxon-Pferd bis auf ein paar kleine Macken zugeritten ![]() da ich mein aktuelles Problem hier aber leider nicht wirklich finden konnte muss ich nun wohl oder übel nachfragen. Vorgeschichte: Da ich vor 3 Jahren beschlossen habe ein Haus zu bauen und bei uns es vorgeschrieben ist das in jedem Wohnraum ein Rauchmelder zu installieren ist, war für mich und meine Holde von Anfang an klar, das es ein verkabeltes System wird. Wenn man dann schon soweit ist, werden natürlich auch Fenster und Türen überwacht. So weit so gut. Zur Anlage: Terxon MX (unpartitioniert) mit maximalen Erweiterungen (Ja ich hab schon gelesen das die LX besser gewesen wär )Zonenabschluss ist NC+Sabo Sämtliche Rauchmelder sind als eigene Zone (im Bereich A) angelegt (ich will gleich wissen wo es Qualmt). Die Fenster und Türen sind separat in Bereich B angelegt wo jetzt auch mein Problem liegt. Die Überwachung der Fenster, Balkontür und Terrassentür funktioniert einwandfrei da ein Potentialfreier Kontakt besteht einzig die Haustür macht mir das Leben schwer. Zur Haustür: Internorm mit Motorschloss & Fingerprint wird mit 24 VDC versorgt. Da die HT über ein Motorschloss verfügt und dieses über einen Tag-Nachtmodus verfügt, habe ich natürlich eine Logo verbaut, welche mir, je nach Jahres- und Tageszeit die Haustür aufsperrt oder eben verriegelt. Allerdings gibt die HT zur Überwachung (Kontakt in der Haustür wird mittels Magnet überwacht) im versperrten und verschlossenen Zustand 0VDC (wer sich das auch immer ausgedacht hat) aus. Damit ich was damit anfangen kann hab ich ein Koppelrelais eingebaut damit die Terxon damit klar kommt (Potentialfrei). Nachts hab ich kein Problem, da ich die Anlage über ein Blockschloss (auch gesteuert über die Logo) scharf schalte -- z.B.: HT versperrt um 19:00 Alarmanlage wird um 19:01 scharf geschalten und morgens dementsprechend wieder retour. Hier wird im Falle eines Stromausfalles die Alarmanlage aktiv geschalten. Und nun zu meinem Problem(en) ![]() 1. Wenn ich am Tag das Haus verlasse und den Bereich B aktiviere, bekomme ich einen Alarm, da sich die HT im Tag-Modus befindet und nicht verriegelt ist. - Mein Lösungsansatz war Bereich C zu Aktivieren welcher dann über eines der Ausgangs-Relais der Terxon zur SPS den Befehl für das verriegeln schicken und diese aktiviert mir dann das Blockschloss --- läuft aber nicht? 2. Bei einem Stromausfall sind meine 0VDC an der HT natürlich auch weg dadurch hab ich eine Auslösung und natürlich einen unschönen Alarm und da freuen sich vor allem Nachts dann Frau und Kinder ![]() -Mein Lösungsansatz hier währe, auch wenn's dann sinnfrei ist, die Überbrückung der Zone für die Haustür. Auch falls sich am Tag der Strom verabschiedet müsste das dann greifen, da die HT ja auch im Tag-Modus ist und somit ein Alarm generiert wird. Danke für's Lesen meines Romanes ![]() LG |
|||
|
19-11-2018, 20:42
Beitrag: #2
|
|||
|
|||
|
RE: Finale Verwirrung an meiner MX
Hallo
Warum du für Punkt 1 einen Bereich C zusätzlich noch verwenden möchtest ist mir nicht klar, du kannst ja auch einen Ausgang bei B-Aktiv schalten lassen. Warum die Logo beim Scharf schalten nicht reagiert müsste man untersuchen. Hast Du einen der Relaiskontaktanschlüsse(Nc oder No) auf 24V gelegt und den anderen auf 0V und dann Anschluss C(den Wechseleingang) auf den Logoeingang gelegt? Nur so kann sichergestellt sein, dass die Logo am Eingang entweder 0V oder 24V bekommt und daraus einen logischen Zustand erkennt. Am besten wäre es, mit einem Multimeter die Spannung am Eingang der Logo bei Scharf und Unscharf zu messen. Ich nehme an, das Programm in der Logo hast du schon mal am PC durchsimuliert und tut was es soll? Zu 2.) Wenn die Türe bei Stromausfall weiter im Spiel sein soll, dann müsste sie eigentlich mit einer Notstromversorgung versehen werden. Ich nehme an, die 0VDC von der Türe sind ein geschlossener Kontakt gegen Masse, welcher sich dann bei Stromausfall öffnet, oder? Allerdings würden dann ja trotzdem 0V anliegen. Du könntest dir eine kleine Schaltung bauen, wo ein Transistor die 0V von der Türe als Spannung(und nicht als geschlossener Kontakt)erkennt und dann ein Relais schaltet. Wenn das ganze noch mit den 12V der MX versorgt wird, dann würde es auch bei Stromausfall weiter funktionieren und könnte für dein Problem eine Lösung sein. Müsste man aber ausprobieren. mfg Sektionschef Abus Terxon SX+SG1800+BW8010+Monacor AS362 Jablotron Oasis80(JA-84)+JA-83M+JA-83P+JA-80PB+JA-81F+JA-80L Instar IN-5907HD |
|||
|
21-11-2018, 09:16
Beitrag: #3
|
|||
|
|||
|
RE: Finale Verwirrung an meiner MX
Hallo Sektionschef,
erstmal danke für deine schnelle Antwort. zu Punkt 1: Die Logo reagiert auf den Eingang und verriegelt mir die Tür. Wie muss ich dann das Relais schalten lassen? Aktuell hab ich auf Bereich B sämtliche Öffnungsüberwachungen auf SO einzig die HT ist auf Ein/Ausgang mit einer Verzögerung von je 30 Sek. Der Ausgang der Terxon schaltet aber erst nach den 30 Sek. und diese kurze Zeitspanne des Umschaltens des Relais reicht das ich einen Alarm bekomme. Zu 2. das mit der USV hab ich mir auch schon gedacht. Das mit der Bastelei finde ich aber besser ist mir im Moment auch nicht so wichtig.LG floorfilla008 |
|||
|
21-11-2018, 11:56
Beitrag: #4
|
|||
|
|||
|
RE: Finale Verwirrung an meiner MX
Hallo
Ich verstehe noch nicht genau das Prinzip deines Aufbaues. Könntest du bitte genauer Beschreiben, wie Motorschloss, Blockschloss, MX und die Logo speziell im Tag-Modus aufeinander einwirken bzw wie der genaue Ablauf beim Verlassen des Hauses ist? Wie und wo stellst Du die MX scharf, über das Bedienteil oder über das Blockschloss, von Innen oder von Aussen? Zu 2: Ist in deiner Türe ein Genius 2.1B Schloss verbaut? https://downloads.siegenia.com/siauv3_mi...004_de.pdf Bei der B-Variante kannst du den Rückmeldekontakt auf Klemme7 umkonfigurieren, sodass er als Öffner arbeitet, siehe Kapitel 3.5. Dies ist die empfohlene Einstellung in Bezug auf Alarmanlagen und Stromausfall: "Wird „Funktion Öffner“ gewählt, wird dadurch das Koppelrelais ausgeschaltet, wenn der Zustand der ausgewählten Funktion erfüllt ist (z. B. Tür geschlossen und verriegelt). Für die Rückmeldung an eine Alarmanlage ist diese Einstellung zutreffend. Sollte die Versorgungsspannung in dieser Einstellung ausfallen, so wird der Zustand am Koppelrelais beibehalten." Geht aber bei der A-Variante nicht. mfg Sektionschef Abus Terxon SX+SG1800+BW8010+Monacor AS362 Jablotron Oasis80(JA-84)+JA-83M+JA-83P+JA-80PB+JA-81F+JA-80L Instar IN-5907HD |
|||
|
21-11-2018, 12:12
Beitrag: #5
|
|||
|
|||
|
RE: Finale Verwirrung an meiner MX
Hallo,
ja, ist Gott sei Dank die B Variante und hab ich schon Umgestellt danke soweitHab die das Programm der Logo angehängt. Ist eigentlich ganz simpel aufgebaut. Nachts: die Timer schalten mir je nach Jahreszeit die Ausgänge - erst wird die Tür verriegelt und eine Minute Später die Alarmanlage über den BS-Kontakt scharf geschalten. Das funktioniert einwandfrei. Für den Tag möchte ich das so realisieren, das wenn ich beim Verlassen den Hauses über das Bedienfeld Bereich B aktiviere mir über einen zusätzlichen Eingang an der Logo, geschalten über eines der Zusatzausgangrelais (Parameter 151) die Tür verriegelt wird. Denn dadurch das ich jetzt das Schloss umgestellt hab ist der Kontakt sowieso geschlossen. LG floorfilla008 |
|||
|
21-11-2018, 14:27
Beitrag: #6
|
|||
|
|||
|
RE: Finale Verwirrung an meiner MX
Danke!
Es könnte funktionieren, indem du zwei Ausgänge der MX auf die Logo führst: Ein Ausgang konfiguriert als Ein/Ausgang folgend, Wert01, geht aber nur mit den 3 Hauptausgängen Op1-Op3(081-083). Ein weiterer Ausgang konfiguriert als Aktiv. Der Ausgang mit Ein/Ausgang folgend geht immer dann an, wenn die Ein oder Ausgangsverzögerung aktiv ist. Um unterscheiden zu können ob es sich um die Ein oder Ausgangsverzögerung handelt(Haus verlassen oder Haus betreten) könntest du diesen Ausgang mit dem zweiten Ausgang "aktiv" verknüpfen. Ausgang E/A folgend an +Ausgang aktiv an: Haus betreten Ausgang E/A folgend an +Ausgang aktiv aus: Haus verlassen Die Und-Verknüpfung + Verzögerung(die kleiner als die Ausgangsverzögerung sein muss) kann dann die Logo erledigen und verriegelt dann anschließend die Tür.. Leider ist oben beschriebenes nur Theorie, man müsste es ausprobieren ob es so auch funktioniert. Ich würde aber prinzipiell einen anderen Weg einschlagen: In deiner Lösung steuert die MX die Verriegelung der Türe an. Ich würde es, wenn es geht, umgekehrt machen und würde die Türe per Fingerprint verriegeln und die Türe soll dann die MX scharf schalten. Das hätte den Vorteil, dass du erstens keinen Stress beim Verlassen des Hauses hast weil die MX erst mit dem Verriegeln der Tür aktiviert wird und zweitens brauchen die Familienmitglieder keinen Code mehr im Bedienteil eingeben sondern aktivieren die MX mit ihrem Fingerabdruck. mfg Sektionschef Abus Terxon SX+SG1800+BW8010+Monacor AS362 Jablotron Oasis80(JA-84)+JA-83M+JA-83P+JA-80PB+JA-81F+JA-80L Instar IN-5907HD |
|||
|
21-11-2018, 18:59
Beitrag: #7
|
|||
|
|||
|
RE: Finale Verwirrung an meiner MX
Hallo Sektionschef,
ich werde mir beide Varianten mal genau anschauen. Vor allem das Aktivieren mittels Fingerprint wär cool. Ich weiß nur nicht ob ich das mit dem Original verbauten von Internorm machen kann. Wenn alles läuft lass ich die Forengemeinschaft daran teilhaben. LG floorfilla008 |
|||
|
22-11-2018, 13:01
Beitrag: #8
|
|||
|
|||
|
RE: Finale Verwirrung an meiner MX
Hallo Sektionschef,
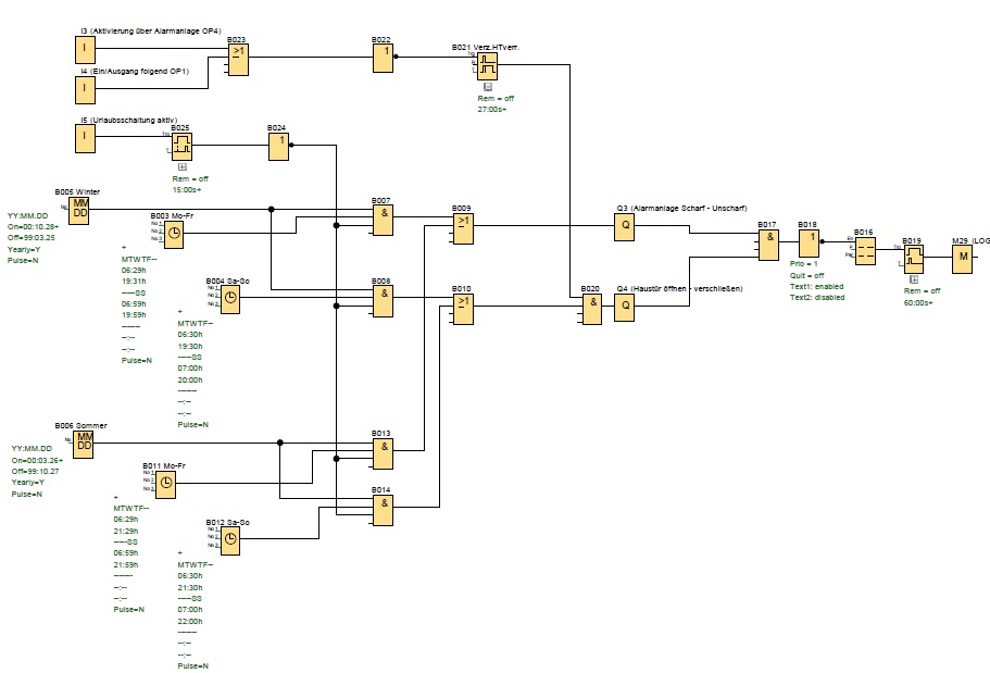
das mit dem Fingerprint ist leider nicht möglich. Dafür funktioniert dein 1. Vorschlag einwandfrei ![]() Ich habe das fertige Programm angehängt falls es mal wer benötigen sollte. Die Urlaubsschaltung ist erstmal nur vorbereitet und noch nicht verkabelt (aber getestet. der Timer in dieser ist in meinem Fall nur wegen des Motorschlosses der HT da es sonst nach einem Stromausfall zu einem Alarm kommen würde. Vielen Dank nochmal
|
|||
|
22-11-2018, 13:13
Beitrag: #9
|
|||
|
|||
RE: Finale Verwirrung an meiner MX
(22-11-2018 13:01)floorfilla008 schrieb: das mit dem Fingerprint ist leider nicht möglich.Woran scheitert es? Es sollte doch möglich sein, mit dem Kontakt von Klemme7 die MX scharf zu schalten, indem man ihn an eine separate Zone anschließt und diese Zone als Blockschloss definiert, oder? MfG Sektionschef Abus Terxon SX+SG1800+BW8010+Monacor AS362 Jablotron Oasis80(JA-84)+JA-83M+JA-83P+JA-80PB+JA-81F+JA-80L Instar IN-5907HD |
|||
|
22-11-2018, 13:15
Beitrag: #10
|
|||
|
|||
|
RE: Finale Verwirrung an meiner MX
Hallo,
Klemme 7 wird leider nicht vom Fingerprint geschalten sondern nur über den Magnetkontakt im Motorschloss. Und die neue Türe zu zerlegen um die Anschlüsse direkt am Fingerprint anzuschauen ist mir dann doch zu Riskant. LG floorfilla008 |
|||
|
|
| Möglicherweise verwandte Themen... | |||||
| Thema: | Verfasser | Antworten: | Ansichten: | Letzter Beitrag | |
| Defekt meiner Abus Terxon MX | jpxalarm | 12 | 11.001 |
16-07-2018 18:25 Letzter Beitrag: Ollik |
|
| Verifizierung meiner Terxon SX Alarm Verdrahtung | d4rkdr4g0n1 | 1 | 6.411 |
06-11-2017 08:18 Letzter Beitrag: Sektionschef |
|
| Erste Störung an meiner MX | Time_to_wonder | 8 | 6.683 |
17-10-2016 23:03 Letzter Beitrag: Time_to_wonder |
|
| Suche Fachbetrieb in meiner Nähe (ABUS LX) | WolframS | 39 | 31.631 |
29-07-2015 10:29 Letzter Beitrag: evertech |
|
Benutzer, die gerade dieses Thema anschauen: 1 Gast/Gäste
Suche
Mitglieder
Kalender
Hilfe



)




ist mir im Moment auch nicht so wichtig.
und hab ich schon Umgestellt danke soweit