Antwort schreiben 
 
Themabewertung:
  • 0 Bewertungen - 0 im Durchschnitt
  • 1
  • 2
  • 3
  • 4
  • 5
Powermax+ Stromproblem
23-07-2021, 15:43
Beitrag: #1
Powermax+ Stromproblem
Moin Moin aus dem Norden Big Grin

Ich habe mir eine alte Anlage zusammen gekauft weil wir die früher auch oft eingebaut haben in meiner Elektriker Zeit.

Nun ist aber das Problem wenn die eine Weile läuft dann geht die grüne Netz LED aus und es leuchtet nur noch die Störung LED ein wenig, im Display ein "Balken".

Spannung liegt aber definitiv noch an hab auch den großen extra Kasten mit 2 nagelneuen großen Akkus auch darüber läuft sie dann nicht weiter Undecided

Hatte das Problem schon mal jemand ? Auf der Platine ist so nichts zu erkennen das irgendwas verschmort ist oder so riecht auch nicht nach Elektronik oder Kondensatoren die gleich hoch gehen Big Grin
Alle Beiträge dieses Benutzers finden
Diese Nachricht in einer Antwort zitieren
24-07-2021, 18:39
Beitrag: #2
RE: Powermax+ Stromproblem
Nachdem unser "Bensen" momentan wohl schläft Big Grin, versuche ich dir mal als alter Powermax Errichter zu helfen.
Welche Powermax ist das denn?
Wenn die grüne LED an ist, hast du zwar Netzspannungsversorgung aus dem Netzteil, jedoch kann dieses einen Treffer haben, gerade dann, wenn die internen Akkus abgestorben sind und er merkt, dass mit mehr Leistung zu fahren ist, dann geht eine Schutzregelung hinein und das Display wird dunkel.
Was dein angesprochener Kasten mit 2 grossen Akkus da bewirken soll, entzieht sich meinem Urteilsvermögen, denn das war so herstellerseitig niemals geplant.
Also Typ, Zusammenstellung und internen Akku prüfen, desweiteren die Zentrale komplett in die Werkseinstellung zurücksetzen, nach Anleitung und zwar genauso, nichts anders machen und nichts überspringen. Nur dann kann man weiter in die Glaskugel schauen, was dem Schätzchen so fehlen könnte.

Wahre Männer lesen keine Bedienungsanleitung!
Erfahrung ist eine nützliche Sache.
Leider macht man sie immer erst kurz nachdem man sie brauchte. (Goethe)
Alle Beiträge dieses Benutzers finden
Diese Nachricht in einer Antwort zitieren
24-07-2021, 19:10
Beitrag: #3
RE: Powermax+ Stromproblem
Oh doch da gabs was originales Big Grin ich musste auch lange suchen um da was zu finden

Also ich habe nur die Zentrale und das GSM Modul angeschlossen und die 12 Volt sind auch da wenn die Anlage tot ist.

Durch probieren habe ich vorhin festgestellt das wenn auf dem Jumper RST die Brücke steckt die Anlage läuft ohne abzuschalten

Das ist aber denke ich mal nicht der Sinn aber würde ja heißen das woanders eine Verbindung auf der Platine defekt sein müsste

Zu dem RST Jumper habe ich bisher nichts gefunden kann mir da einer was zu sagen ?

Ist das Reset wäre ja nahe liegend wobei ich zum Reset auch was von dem DEF Jumper gelesen habe Rolleyes

DAS GSM Modul hat ja auch noch mal ein eigenes Netzteil also Saft genug ist sicher da Smile


Angehängte Datei(en) Thumbnail(s)
   
Alle Beiträge dieses Benutzers finden
Diese Nachricht in einer Antwort zitieren
24-07-2021, 22:37
Beitrag: #4
RE: Powermax+ Stromproblem
Welche Spannungen misst du genau?
Welche Spannung kommt an der Zentrale an bei abgezogenen Akkus?
Welche Spannung misst du an den Akkus? Das sollten mind. 13,4V bis 13,7V sein.
Bei abgeschalteter Netzspannung sollten da auch min. 12,8V sein.
Das Verhalten lässt auf ein def. Netzteil schließen. Die Brücke RST könnte die Überprüfung der Versorgungsspannung sein. Kenne die Visonic nicht so gut, wären aber nach dem von dir beschriebenen Verhalten logische Fehlerquellen.

Viele Fehler sind RTFM Fehler - Read The Fucking Manual
Telenot, Daitem, UTC, Hikvision AxPro, Lupus, AVS
www.peteralarm.de
Webseite des Benutzers besuchen Alle Beiträge dieses Benutzers finden
Diese Nachricht in einer Antwort zitieren
26-07-2021, 11:49
Beitrag: #5
RE: Powermax+ Stromproblem

War das Wochenende zelten :-)
Läuft die Kiste wieder? Spannung misst du auch wenn die grüne LED aus ist? Was ist es den genau für eine zentrale? 433 oder 868?
Alle Beiträge dieses Benutzers finden
Diese Nachricht in einer Antwort zitieren
26-07-2021, 16:20
Beitrag: #6
RE: Powermax+ Stromproblem
Moin Camper :-) naja solange der Jumper auf RST steckt ja ob das so sein soll ist noch die Frage

Das 9V Netzteil liefert ja 12 Volt ist das normal ? das andere was ich extra für das GSM Modul gekauft hatte tut das ebenso

ist 868 Mhz

Und Spannung ist auf jeden Fall immer da übers Netzteil oder über die beiden großen Akkus

Ohne den Jumper auf RST läuft die eine Stunde oder so und dann leuchtet nur noch Störung ein wenig und die hälfte vom Display ist schwarz
wenn ich dann etwas warte und die komplett stromlos ist geht es nach einer Weile wieder bis sie dann wieder abschaltet
Alle Beiträge dieses Benutzers finden
Diese Nachricht in einer Antwort zitieren
26-07-2021, 16:51
Beitrag: #7
RE: Powermax+ Stromproblem
9V Netzteil? Wie willst du damit einen 12V Akku laden? Kann sein, das es 12V Leerlaufspannung bringt, wäre dann aber eher ein schechtes Netzteil. Zum laden von 12V Akkus benötigst du mind. 13,7V für die Erhaltungsladung.
12V Akku:
12V = Nennspannung
11,8V = Entladeschlussspannung
13,7 = Erhaltungsladung
14,4V = Ladeschlussspannung
Wenn du das nicht messen kannst, ist es entweder das falsche Netzteil, oder es ist defekt. Siehe meinen Post #4 - oder rätsel weiter herum!

Viele Fehler sind RTFM Fehler - Read The Fucking Manual
Telenot, Daitem, UTC, Hikvision AxPro, Lupus, AVS
www.peteralarm.de
Webseite des Benutzers besuchen Alle Beiträge dieses Benutzers finden
Diese Nachricht in einer Antwort zitieren
26-07-2021, 16:57
Beitrag: #8
RE: Powermax+ Stromproblem
Naja sind ja aber 9V Wechselspannung laut Aufkleber das Messgerät sagt 13 Volt
und die kleine Platine macht da 18 Volt Gleichspannung sogar draus für die 12 Volt Akkus
Vorher waren da 6 Volt Akkus drin da hab ich mich auch schon gefragt wie die das ausgehalten haben wohl
Alle Beiträge dieses Benutzers finden
Diese Nachricht in einer Antwort zitieren
26-07-2021, 17:07
Beitrag: #9
RE: Powermax+ Stromproblem
So wird das nichts!
Stehen da wirklich 18V DC an de Akkus an? Kann ich mir jetzt nicht vorstellen. Sollte das so sein, hast du die Akkus "totgekocht"!
Ist so!
Wenn das vorher 6V Akkus drin waren??? Warum hast du die gegen 12V ersetzt? Ich denke, du solltest dir jemand holen, der sich damit auskennt, was du schreibst macht von keiner Seite Sinn.

Habe mir gerade mal die Anleitung der Powermax angesehen, da gehören 12V 1,2Ah Akkus rein. Niemals 6V.
Trotzdem, an den Akkus dürfen nur max 13,7V DC anstehen. Gemessen natürlich mit angeschlossenen Akkus!
Wenn da in diesem Fall 18V anstehen, ist das Netzteil (kleine Platine) defekt. Das kann auch die Zentrale zerstört haben.
Aber um das festzustellen, gehören da ein paar genauere Messeungen, wie von mir schon beschrieben dazu.

Viele Fehler sind RTFM Fehler - Read The Fucking Manual
Telenot, Daitem, UTC, Hikvision AxPro, Lupus, AVS
www.peteralarm.de
Webseite des Benutzers besuchen Alle Beiträge dieses Benutzers finden
Diese Nachricht in einer Antwort zitieren
26-07-2021, 18:52
Beitrag: #10
RE: Powermax+ Stromproblem
Hatte die Zentrale auch nur mit dem Netzteil ohne die Platine dran an der die Akku´s hängen war genau das gleiche

Hab die aber halt so als Set gekauft mit Sensoren und Rauchmeldern und es hieß das läuft alles

Hab gerade noch mal gemessen 12,2 V Wechselspannung und 16,6 V Gleichspannung und es kocht auch nichts ;-)

Bin Elektriker und wir haben die früher auch eingebaut aber sowas kenne ich von den Zentralen nicht eigentlich laufen
die Dinger ja, mehr als Batterien tauschen haben wir da nie machen müssen

Ja die 6V Akku´s habe ich ja auch raus geschmissen auf den dritten 12V Akku warte ich noch vielleicht bricht die Spannung ja dann auch noch ein bisschen ein
wenn alle dran hängen unmöglich ist ja anscheinend nichts
Alle Beiträge dieses Benutzers finden
Diese Nachricht in einer Antwort zitieren
26-07-2021, 20:36
Beitrag: #11
RE: Powermax+ Stromproblem
(26-07-2021 18:52)Bastain-SH schrieb:  Bin Elektriker und wir haben die früher auch eingebaut aber sowas kenne ich von den Zentralen nicht eigentlich laufen
die Dinger ja, mehr als Batterien tauschen haben wir da nie machen müssen

Dann solltest du eigentlich wissen, wie Fehlersuche geht.

Viele Fehler sind RTFM Fehler - Read The Fucking Manual
Telenot, Daitem, UTC, Hikvision AxPro, Lupus, AVS
www.peteralarm.de
Webseite des Benutzers besuchen Alle Beiträge dieses Benutzers finden
Diese Nachricht in einer Antwort zitieren
26-07-2021, 20:46
Beitrag: #12
RE: Powermax+ Stromproblem
Ja aber mit den kleinen Dingern auf Platinen habe ich nichts am Hut, hab die mehr oder weniger schon durchleuchtet soweit es ging aber es ist
nichts zu sehen das irgendwo was heiß geworden ist oder was verbrannt ist Kondensatoren sehen auch alle ok aus

Mehr als eine andere Zentrale kaufen kann ich dann auch nicht wenn sie doch noch den Geist ganz aufgeben sollte.

Werde die erstmal so laufen lassen und gucken was passiert die Akkus sind kalt wird also nichts zu warm, und die Platine kommt mit der
Spannung ja auch klar bisher, läuft ja schon 48 Std so
Alle Beiträge dieses Benutzers finden
Diese Nachricht in einer Antwort zitieren
26-07-2021, 23:34
Beitrag: #13
RE: Powermax+ Stromproblem
Musst erst mal so einen alten Knochen finden...
Hat das Display evtl einen ab?
Wir reden hier aber schon von dem notstrom Akku in der Zentrale? War die nicht nur 9v?
Wenn du Glück hast hab ich irgendwo im Lager noch ne +rumliegen könntest dann haben falls interesse besteht
Alle Beiträge dieses Benutzers finden
Diese Nachricht in einer Antwort zitieren
27-07-2021, 00:06
Beitrag: #14
RE: Powermax+ Stromproblem
Also laut Anleitung[1] gehört KEIN 12V Akku (am besten noch Bleigel) in die Zentrale. Absolut korrekt, dass dort ein 6V/7,2V NiMH Akku drin war! (Ausg. UK-Installation, dort wäre es ein 9,6V Akku, aber dann garantiert mit ner anderen Platine...) Mag in der Praxis ja noch funktionieren, dass man statt NiMH nen 6V Bleigel-Akku reinhaut - haben ja ähnliche Lädeströme und Spannungen, aber richtig wäre auch das nicht...

Zitat:Habe mir gerade mal die Anleitung der Powermax angesehen, da gehören 12V 1,2Ah Akkus rein. Niemals 6V.
Die verlinkte Anleitung sieht das etwas anders - außer im Zusatzgehäuse, da sind gemäß Bild 12V Bleigel-Akkus verbaut, die gemäß Anschlusschema auf 9V runtergeregelt werden.

Zitat:und die kleine Platine macht da 18 Volt Gleichspannung
Aber genau da ist der Fehler: Ein 6V Akku, dessen Spannung auf die 9V der Zentrale erhöht werden ergibt ein Verhältnis von 1.5 - und bei einem 12V Akku ergibt das Verhältnis 1.5 genau die gemessenen 18 Volt. Bei der UK-Installation mit 9.6V Akkus wird da ne andere Platine sitzen. Und die doppelte Spannung (18V statt 9V) könnte zu Schäden geführt haben. Die Zentrale ist wohl auf 9V ausgelegt - auch das Zusatzgehäuse mit 12V Bleigel-Akkus liefert 9V an die Zentrale.

Also um es zusammenzufassen: Wahrscheinlich hast du dir die Zentrale zerstört, weil du ohne in der Anleitung nachzulesen einfach Akkus mit anderer Spannung eingebaut hast beim Akkuwechsel und damit der Platine einfach mal das doppelte an Spannung gegeben hast. Ich sag mal nicht, was ich davon denke, dass einem gelernten Elektriker sowas passiert...Undecided Vielleicht solltest du dir deine Anlage doch von nem Profi machen lassen.

[1] https://www.manualslib.de/manual/12371/V...e=4#manual

(Pronomen: er/ihm)
Alle Beiträge dieses Benutzers finden
Diese Nachricht in einer Antwort zitieren
27-07-2021, 16:27
Beitrag: #15
RE: Powermax+ Stromproblem
Die Zentrale kam mit 3 x 6 V Akkus bei mir an und da war von Anfang an so eine hohe Spannung drauf frage mich nicht warum.

Das an 6V Akkus mit Sicherheit keine 16-18 Volt gehören weiß ich auch normal müssten die ja heiß werden und kochen und Beulen schmeissen
haben die aber auch nicht getan....

Die Zentrale lief ja auch so vorher hier in Deutschland mit den 6V Akkus.

Die 12V Akkus habe ich bestellt weil das in der extra Anleitung zu dem Sondergehäuse das ich hier habe ja so war.

Die Originalanleitung habe ich hier auch da steht von dem Sondergehäuse und den Spannungen leider nichts drin
und in der Zusatzanleitung leider auch nicht.

Da die Zentrale immer noch problemlos funktioniert gehe ich nicht davon aus das ihr die 16V zu viel sind, die Kondensatoren auf der Hauptplatine sind ja auch für 16V ausgelegt

@ Bensen guck mal oben 2 Beitrag der Anhang hab so ein Sondergehäuse mit 3 größeren Akkus
Alle Beiträge dieses Benutzers finden
Diese Nachricht in einer Antwort zitieren
27-07-2021, 17:24
Beitrag: #16
RE: Powermax+ Stromproblem
(27-07-2021 16:27)Bastain-SH schrieb:  Da die Zentrale immer noch problemlos funktioniert gehe ich nicht davon aus das ihr die 16V zu viel sind, die Kondensatoren auf der Hauptplatine sind ja auch für 16V ausgelegt

Also das ist für einen Elektriker eine ziemlich blamable Aussage.
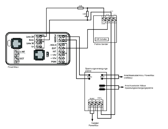
Auf der Anleitung ist ganz klar zu erkennen, das die mit den 9VAC (die beiden schwarzen) versorgt werden muss. Zusätzlich noch die Verbindung zu Batterie DC (rot/ blau).
Sei froh, das du keinen Kondensator mit 400V gefunden hast (ich meine nicht die Elkos, sondern die kleinen meist rot oder braunen)..... Confused


Angehängte Datei(en) Thumbnail(s)
   

Viele Fehler sind RTFM Fehler - Read The Fucking Manual
Telenot, Daitem, UTC, Hikvision AxPro, Lupus, AVS
www.peteralarm.de
Webseite des Benutzers besuchen Alle Beiträge dieses Benutzers finden
Diese Nachricht in einer Antwort zitieren
27-07-2021, 19:20
Beitrag: #17
RE: Powermax+ Stromproblem
Zitat:Die Zentrale kam mit 3 x 6 V Akkus bei mir an und da war von Anfang an so eine hohe Spannung drauf frage mich nicht warum.

Das an 6V Akkus mit Sicherheit keine 16-18 Volt gehören weiß ich auch normal müssten die ja heiß werden und kochen und Beulen schmeissen
haben die aber auch nicht getan....
Ich versteh nicht mehr genau, wo du was misst, aber trotzdem mal so ne These warum den Akkus nichts passiert ist: 18V... 3 Akkus mit je 6V... 3 mal 6 ergibt 18? Und soweit ich weiß* kann man NiMH-Akkus einfach in Reihe schalten zum laden.

Hängt dann nach den Batterien wieder ein Spannungsregler, der die Spannung runterregelt auf 9V? Aber in der Anleitung steht nichts von 3 6V Akkus, sondern von einem einzelnen 6V Akku... Oder hab ich das missverstanden?

Aber an der Hauptplatine sollten offensichtlich nur 9V ankommen. Dass an den Akkus eventuell 18V ankommen, weil es drei 6V Akkus in Serie sind hat ja damit erstmal nix am Hut - solange zwischen den Akkus und der Zentrale n Buck Converter oder sonstige Schaltung zur Reduktion der Spannung hängt.

* eventuell täusche ich mich auch, ich bin kein Elektroingenieur, aber ich bin mir relativ sicher, dass es NiMH Ladegeräte gibt, die nur laden wenn alle Steckplätze voll sind weil die Akkus in Reihe geschalten sind (aber tut mir den Gefallen und ladet keine NiMH Akkus in Serie weil ich das hier gesagt habe, wenn ihr euch net sicher seid, dass das okay ist, nicht dass ich falsch liegeBlush )

(Pronomen: er/ihm)
Alle Beiträge dieses Benutzers finden
Diese Nachricht in einer Antwort zitieren
Antwort schreiben 


Möglicherweise verwandte Themen...
Thema: Verfasser Antworten: Ansichten: Letzter Beitrag
  Powermax Pro - Licht des Displays nimmt ab Hsna1234 3 515 02-02-2026 11:31
Letzter Beitrag: maschra
  Bewegungsmelder Next K9-85 T MCW 868 - Powermax Pro Part - leuchtet dauerhaft rot Dandy 1 380 10-01-2026 07:22
Letzter Beitrag: funkistnichtalles
  Powermax+ LAN-Anbindung ? Paiper 5 1.526 14-10-2025 15:32
Letzter Beitrag: maese16
  PowerMax Außensirene falconiform78 6 2.284 01-03-2025 15:51
Letzter Beitrag: Bensen
  Powermax Pro mit IP Modul 2 Remote errator 7 2.841 08-10-2024 21:22
Letzter Beitrag: errator
  neues Netzteil für Powermax PRO bewusst 6 3.273 04-03-2024 10:41
Letzter Beitrag: bewusst
  Visonic Powermax Pro - Meldet F02 Batt schwach Firebird1111 4 3.206 21-12-2023 21:30
Letzter Beitrag: Bensen
  Powermax Batterie Zentrale Meerschweindi 12 5.431 18-09-2023 00:50
Letzter Beitrag: Meerschweindi
  Powermax+ - Erkennen welcher Handsender Paiper 1 2.405 25-03-2023 14:27
Letzter Beitrag: funkistnichtalles
  Powermax Pro Verbindung zum Wachdienst gestört Karlo11 9 4.107 23-01-2023 17:19
Letzter Beitrag: funkistnichtalles



Benutzer, die gerade dieses Thema anschauen: 1 Gast/Gäste