|
GBS 1 Adern-Paare alle Silber
|
|
03-12-2024, 20:30
Beitrag: #1
|
|||
|
|||
|
Hallo!
Neu im Forum und natürlich gleich eine Frage ;-) ich möchte ein Paar Glasbruchmeldesensoren (GBS 1) ersetzen. Es ist eine Complex 400H. Dazu habe ich das Kabel vom defekten GBS durchtrennt, hier sind 2 Paare (gegenüberliegend) vorhanden. Einmal Kupfer-, einmal Silberfarbig. Beim neuen GBS sind allerdings alle Adern Silberfarbig. Beim ersten Versuch den neuen GBS anzuschließen (und Rücksetzen über das BT800) kam nach einiger Zeit eine Fehlermeldung. Nach dem zweiten versuch (Adern-Paare gewechselt) kommt keine Fehlermeldung mehr. Nun Frage ich mich folgendes: 1. wie kann ich vorweg prüfen, welche Adern anzuschließen sind? Widerstandsmessung der Adern-Paare? Welche Werte sollten diese haben? (An einer der beiden Kupfer-Adern konnte ich etwa 10V DC messen) 2. Gibt es eine Möglichkeit ohne Testgerät zu prüfen, ob der neue GBS funktioniert? Vielen Dank! |
|||
|
03-12-2024, 20:41
Beitrag: #2
|
|||
|
|||
|
RE: GBS 1 Adern-Paare alle Silber
Bei GBS sind jeweils zwei der Adern durchverbunden, also R=0 Ohm.
An deiner abgeschnittenen Leitung müsstest du auf einem Paar eine Spannung messen und an einem nicht. Auf dem nicht spannungsführenden Paar solltest du einen Widerstand messen können, der deinem Abschlusswiderstand, so wie Zentrale hinterlegt, entspricht. Zwei Adern, die nicht durchverbunden sind, mit dem spannungsführenden Paar verbinden, die anderen beiden mit dem nicht-spannungsführenden Paar. Eigentlich schneidet man nicht die Melderleitung ab und pfuschflickt dann rum, sondern tauscht die Melderleitung bis zum VT aus. Zum Testen nimmt man eine 2€-Münze und hofft, dass die Scheibe nicht reißt. |
|||
|
03-12-2024, 20:51
Beitrag: #3
|
|||
|
|||
|
RE: GBS 1 Adern-Paare alle Silber
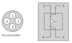
So ist die Beschaltung der GBS
Viele Fehler sind RTFM Fehler - Read The Fucking Manual Telenot, Daitem, UTC, Hikvision AxPro, Lupus, AVS www.peteralarm.de |
|||
|
03-12-2024, 21:42
Beitrag: #4
|
|||
|
|||
|
RE: GBS 1 Adern-Paare alle Silber
Vielen Dank!
Um sicher zu sein, dass ich es verstanden habe: Am abgetrennten Kabel, der vom VT kommt: - Auf einem Paar liegt Spannung an (bei mir auf dem Kupfer-Paar) - Auf das andere Paar ist ein Widerstand messbar Am Kabel der GBS: - Ein Paar ist durchverbunden - Ein Paar nicht durchverbunden (Durchgangsprüfung mittels Multimeter) Paar vom VT mit Spannung <-> nicht durchverbundenes GBS Paar Paar vom VT mit Widerstand <-> durchverbundenes GBS Paar Stimmt? |
|||
|
03-12-2024, 22:52
Beitrag: #5
|
|||
|
|||
|
RE: GBS 1 Adern-Paare alle Silber
Adern 1 und 4 zur Zentrale, Adern 2und 3 Widerstand. An der Zentrale kannst du dann den Widerstand messen.
Tipp, zum ankleben nur den zugelassenen Glas Metall Kleber verwenden. Alles andere funktioniert nicht. Abstände zum Rahmen sind einzuhalten. Viele Fehler sind RTFM Fehler - Read The Fucking Manual Telenot, Daitem, UTC, Hikvision AxPro, Lupus, AVS www.peteralarm.de |
|||
|
06-12-2024, 12:17
Beitrag: #6
|
|||
|
|||
|
RE: GBS 1 Adern-Paare alle Silber
Adern 1 und 4 zur Zentrale, Adern 2und 3 Widerstand. An der Zentrale kannst du dann den Widerstand messen.
1 & 3 und 2 & 4 sind die Paare, das ist klar. Diese kann ich ausmessen zur Identifizierung. Die Paare bekomme ich heraus, nur nicht, ob es die 1 oder die 3 ist (2 oder 4). Deshalb frage mich gerade, ob es dann etwas ausmacht welche der Paar-Leitung ich verbinde... Angenommen, ich verbinde vom abgeschnittenen Kabel die "2" mit der "4" am GBS (und demnach die "4" mit der "2" am GBS), wäre das ok? Ich vermute ja, es sei denn es ist eine Diode im GBS verbaut? Kann man vielleicht den Sensor auch testen, indem man sie vorsichtig auf dem Boden klopft, bevor man sie klebt? (Für das kleben habe ich den zugelassenen Glas Metall Kleber von Loctite, danke für den Hinweis) Danke für die Hilfe! |
|||
|
06-12-2024, 16:04
Beitrag: #7
|
|||
|
|||
|
RE: GBS 1 Adern-Paare alle Silber
In Beitrag #2 wurde die Testmöglichkeit bereits genannt
Immer daran denken: Jede Kette ist nur so stark wie ihr schwächstes Glied. Wobei die Schwierigkeit ist, das schwächste Glied als solches zu erkennen, bevor es andere erkannt haben!
|
|||
|
09-12-2024, 11:08
Beitrag: #8
|
|||
|
|||
|
RE: GBS 1 Adern-Paare alle Silber
Habe nun an zwei neuen GBS die Paare gemessen.
Beide Paare haben Durchgang. Was mache ich falsch? Ein Paar sollte sich kein Durchgang haben? Danke nochmal. |
|||
|
09-12-2024, 12:08
Beitrag: #9
|
|||
|
|||
|
RE: GBS 1 Adern-Paare alle Silber
Nein, zwei Paare haben Durchgang, dass ist richtig.
Du brauchst zwei Adern, die jedoch gegeneinander keinen Durchgang haben für die Verbindung zur Zentrale und die beiden anderen Adern, die gegenseitig auch keinen Durchgang haben, für die Verbindung zum Widerstand. |
|||
|
09-12-2024, 13:58
Beitrag: #10
|
|||
|
|||
|
RE: GBS 1 Adern-Paare alle Silber
Geht doch ganz deutlich aus dem Beitrag #3 und #5 hervor......oder?
Viele Fehler sind RTFM Fehler - Read The Fucking Manual Telenot, Daitem, UTC, Hikvision AxPro, Lupus, AVS www.peteralarm.de |
|||
|
|
| Möglicherweise verwandte Themen... | |||||
| Thema: | Verfasser | Antworten: | Ansichten: | Letzter Beitrag | |
| MS232 mit GBS - Erfahrung mit anderen GBS | demarque | 0 | 358 |
13-12-2025 12:08 Letzter Beitrag: demarque |
|
| Alle Eingänge "offen" obwohl geschlossen? | Techniker-thomas | 21 | 5.413 |
12-05-2024 15:25 Letzter Beitrag: peteralarm |
|
Benutzer, die gerade dieses Thema anschauen: 1 Gast/Gäste
Suche
Mitglieder
Kalender
Hilfe




