|
Anschluss PSTN Wählgerät über TAE Stecker von FritzBox an die AMAX 2100
|
|
03-05-2018, 05:41
Beitrag: #1
|
|||
|
|||
|
Hallo,
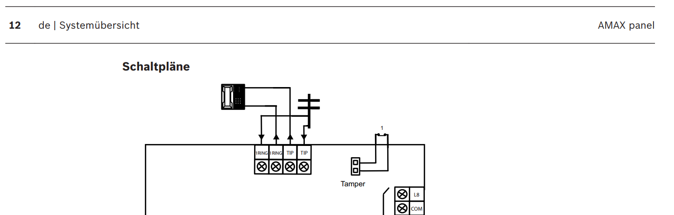
ich plane den Kauf einer Bosch Amax 2100. Eine FritzBox mit freier Rufnummer an FON2 (TEA-Buchse) steht zur Verfügung. Das Studium des 186-seitigen Installationshandbuches der Amax 2100 verrät nur, dass es die Anschlüsse 1RING, TIP und Masse/Erdung gibt. Leider kein Wort, wie 1RING und TIP mit der FritzBox zu verbinden sind. ![]() Wer kann helfen? EMA Komponenten: Bosch AMAX 2100 V2 (A-Link Plus) + Text-Bedienteil, 2x Bosch TriTech Bewegungsmelder ISC-BDL2-W12G + Türöffnungsmelder, Signalgeber SP-4004 + zus. innen, PSTN Alarmierung per Sprachnachricht |
|||
|
03-05-2018, 07:36
Beitrag: #2
|
|||
|
|||
|
RE: Anschluss PSTN Wählgerät über TAE Stecker von FritzBox an die AMAX 2100
Moin.
Im Grunde stellt das Schaubild von Dir eine Parallelschaltung der Amax2100 zu einem Telefon dar. Bei uns heißen die Leitungen La bzw. Lb (vgl. https://de.wikipedia.org/wiki/Telekommun...-Einheit). D.h. der "Mast" rechts im Schaubild ist das "Amt" - bei Dir die Fritzbox. Also probiere einfach mal aus: La an 1RING, Lb an TIP bei einem TAE-Stecker zu verkabeln. Den TAE-Stecker kann man übrigens oftmals öffnen und dann die kleinen Blechzungen umrangieren auf dem Plastikstecker. LG Jörg |
|||
|
|
Benutzer, die gerade dieses Thema anschauen: 1 Gast/Gäste
Suche
Mitglieder
Kalender
Hilfe


![[Bild: x4ONN1DsQmGX65Oyc7ZF0Q.jpeg]](https://image.prntscr.com/image/x4ONN1DsQmGX65Oyc7ZF0Q.jpeg)

