|
Optex-VXS-AM - Abschlusswiderstand
|
|
11-09-2018, 18:13
Beitrag: #1
|
|||
|
|||
|
Hallo, zu den Optex-VXS-AM bietet Optex als Zubehör extra einsteckbare Abschlusswiderstände (EOL = End of line) [PEU]. Siehe hierzu "http://navi.optex.net/manual/50105/de/BONDSYxlgtyajk.html". Leider sind diese Widerstände, die wohl das gesonderte Verkabeln von Sabotage- und Abdeckalarm ersparen, nicht dabei. Kann mir jemand eine Bezugsadresse benennen oder sonst Hilfestellung geben, wie ich Sabotage- und Abdeckalarm nutzen kann , ohne wieder ein 8adriges Kabel nutzen zu müssen.
Vielen Dank |
|||
|
12-09-2018, 08:06
Beitrag: #2
|
|||
|
|||
|
RE: Optex-VXS-AM - Abschlusswiderstand
steck die gewünschten Standard-Widerstände je nach Anlage rein und fertig ist der Lack.
https://www.optex-europe.com/de/produkte...or-modules
Satel Videotutorials: https://www.youtube.com/c/aslademcogmbh |
|||
|
12-09-2018, 10:35
Beitrag: #3
|
|||
|
|||
|
RE: Optex-VXS-AM - Abschlusswiderstand
Danke Animal, das wäre mir auch am liebsten, hierzu benötige ich aber eine Bezugsadresse.
|
|||
|
12-09-2018, 11:47
Beitrag: #4
|
|||
|
|||
|
RE: Optex-VXS-AM - Abschlusswiderstand
ich dachte an sowas....
Satel Videotutorials: https://www.youtube.com/c/aslademcogmbh |
|||
|
16-09-2018, 20:02
Beitrag: #5
|
|||
|
|||
|
RE: Optex-VXS-AM - Abschlusswiderstand
Ich habe mir die Bedienungsanleitung durchgelesen, man kann den Widerstandswert nirgendwo erfahren.
Wenn man diese Werte anderweitig erfahren kann, kann man die Widerstände als einzelne Widerstände dort einbauen. Wenn man nichts hat, würde ich es so machen. Mit einem 8 aderigen 2 Meter langen den Bewegungsmelder provisorisch anbauen. Dann an den Klemmen Trouble Alarm Tamper gegen Common die Spannungen messen . Ist die Spannung zum Beispiel 5 V , Alarm gegen Common . Nun den Bewegungsmelder abbauen, dann wird an dieser Klemme die 12 V Grundspannung anliegen. Dann einen 1 Kilo ohm Widerstand an diesen Klemmen anschließen , ist die Spannung dann auch 5 V , hat man den richtigen Widerstand, wenn die Spannung nicht stimmt, muß man den Dreisatz anwenden um den richtigen Wert zu errechnen, man benötigt noch nicht einmal das Ohmsche Gesetz. Da sind 2 Widerstände in Reihe in dieser Schaltung. |
|||
|
16-09-2018, 20:33
Beitrag: #6
|
|||
|
|||
|
RE: Optex-VXS-AM - Abschlusswiderstand
@Mechaniker
Du weißt aber schon für welchen Zweck die Widerstände hier eigeklemmt werden. ![]() Da brauchst nix umhervolten mit dem Multimeter.
11.Gebot: Du sollst die Alarmanlage nicht kombiniert mit einer Türverschlusseinrichtung deaktivieren. —- Fragen bitte immer ins Forum und nicht meinen Postkasten anfüllen. DANKE! |
|||
|
16-09-2018, 23:38
Beitrag: #7
|
|||
|
|||
|
RE: Optex-VXS-AM - Abschlusswiderstand
Dann nenne doch für dieses Gerät die richtige Widerstandskombination.
Oder die Bezugsquelle. Dann schicke ich seagull die fertige Brücke oder die geforderten Widerstände. Aber durch die Aussage ;" Da brauchst nix umhervolten mit dem Multimeter." Ich kann diese Widerstände ausmessen, weil ich den Strom noch messen würde. |
|||
|
17-09-2018, 00:39
Beitrag: #8
|
|||
|
|||
|
RE: Optex-VXS-AM - Abschlusswiderstand
Du weißt aber schon dass die Farbringe auf den Widerständen nicht wie Baumringe das Alter zeigen sondern den Widerstandswert.
Nix für ungut aber der mußte raus. ![]() Nochmal: Da brauchst nix (ich sags jetzt mal anders) herum Multivoltmetern und Strom messen. sondern nur anhand der Farbringe dessen Wertigkeit ablesen. Wenn er Standard DEOL hat 2k2 und 4k7.Wird ja selber wissen welche Kombination er für seine DEOL Verdrahtung gewählt hat und somit was er an Widerständen braucht. Daher wirst auch nicht unbedingt was in einer Montageanleitung finden. Es gibt mehrere geläufige DEOL Widerstandsvarianten und bei manchen Herstellern auch noch die freie Wahl der Widerstandswerte. Somit hat man bei hohen Leitungwiderständen auch noch Möglichkeit sich entsprechend abzuhelfen und trotzdem DEOL zu verdrahten. Bei 08-15 DEOL gehts nur um den 2k2 Linienabschluss und den zusätzlichen 4k7 Widerstand parallel zum Öffnungsmelder. Hiermit lässt sich dann Leitungsbruch,Kurzschluss,Sabotage und Einbruch auswerten und die Leitung ist somit auch noch gegen Sabotage durch einen Tacker geschützt. PS: Nicht jede Anlage mag, wie in dem Bild gezeigt, bei mehreren Meldern auch jeweils einen 4k7 Widerstand. Da darf dann nur ein 4k7 über alle Melderkontakte gebrückt ausgeführt sein. 11.Gebot: Du sollst die Alarmanlage nicht kombiniert mit einer Türverschlusseinrichtung deaktivieren. —- Fragen bitte immer ins Forum und nicht meinen Postkasten anfüllen. DANKE! |
|||
|
17-09-2018, 08:16
Beitrag: #9
|
|||
|
|||
|
RE: Optex-VXS-AM - Abschlusswiderstand
Mechaniker und Evertech vielen Dank für die Erklärungen, leider ist das für mich immer noch zu kompliziert. Bisher hatte ich die Optex immer außer Reichweite angeschlossen, so dass ich nur Arm benötigte. Nun bin ich bei mir im Garten angekommen und da ist Sabotage und Abdeckung sehr wohl möglich.
Daher weiß ich nicht, welche Kombination ich - aus Expertensicht -für meine DEOL Verdrahtung gewählt habe und somit was ich an Widerständen brauche .Ich habe ganz simpel den VXS mit Telefonkabel am drahtlosen Sensoreingang der Lupus und papallel am Alarmeingang der Instar 5907 angeschlossen. Alle stehen auf NC. Der Drahtlossensor ist als BW angemeldet. Der VXS hat außerdem einen Anti-masking -Ausgang und einen Sabotageausgang (Sabo-Kontaktschalter ist beim VXS integriert). Die Frage ist: Wie bekomme ich beide Funktionen an den Arm-Ausgang angeschlossen, so dass auf einer Meldelinie alle drei an die Kamera und den Drahtlossensor melden? Sorry, dass ich kein Elektriker bin und vielen Dank für die Nachsicht. Gruß |
|||
|
17-09-2018, 09:34
Beitrag: #10
|
|||
|
|||
|
RE: Optex-VXS-AM - Abschlusswiderstand
Achso; Jetzt wirds
bei mir. Hab gedacht du brauchst nur Widerstände. Aber dir fehlt ja auch noch der Plan dazu wie man die Dinger mit den Farbringen verdrahtet.Hier hab ich was für dich von einer Standard 2k2/4k7 DEOL Musst aber dann bei deiner Anlage auch „Maskierung“ ,oder wie das immer bei Lupus auch heißen mag, für diese Zone aktivieren. 11.Gebot: Du sollst die Alarmanlage nicht kombiniert mit einer Türverschlusseinrichtung deaktivieren. —- Fragen bitte immer ins Forum und nicht meinen Postkasten anfüllen. DANKE! |
|||
|
17-09-2018, 09:50
Beitrag: #11
|
|||
|
|||
|
RE: Optex-VXS-AM - Abschlusswiderstand
Hallo Evertech,
vielen Dank. Mich hat gerade der Lupus-Direktshop (innerhalb von 30 Min. nach Kontaktnachricht!!) zurückgerufen. Die EOL-Widerstände sind für andere Alarmanlagen, die bestimmte Eingangsanforderungen haben. Die XT2plus brauche das nicht. Ich könne einfach den Antimasking - Ausgang mit dem Alarmausgang mittels einfachem Kabel im Optex überbrücken und die Schaltung auf NO stellen. Ich werde das testen und mich wieder melden. Gruß |
|||
|
19-09-2018, 17:47
Beitrag: #12
|
|||
|
|||
|
RE: Optex-VXS-AM - Abschlusswiderstand
A ja, dass geht natürlich auch. Nur kann die Anlage dann wohl nicht unterscheiden ob es sich um eine Abdeckung oder einen Einbruch handelt.
Zumindest kann ich mir das ohne Widerstandsnetzwerk jetzt nicht vorstellen. Somit wird dann auch der Abdeckungsalarm als Einbruchalarm behandelt. Sollte das den so sein, dann würde ich nicht sagen die Lupus braucht das nicht, sondern eher die kann das nicht. ![]() Aber ich bin trotzdem gespannt wie ein Revolver am Nachtkästchen und neugierig was da letztendlich rauskommt. 11.Gebot: Du sollst die Alarmanlage nicht kombiniert mit einer Türverschlusseinrichtung deaktivieren. —- Fragen bitte immer ins Forum und nicht meinen Postkasten anfüllen. DANKE! |
|||
|
19-09-2018, 20:15
Beitrag: #13
|
|||
|
|||
|
RE: Optex-VXS-AM - Abschlusswiderstand
Es ist nichts dabei herausgekommen! Zwei Stunden habe ich mit BW und Sensoreingang am Schreibtisch alle erdenklichen Anschluss-Kombis getestet. Außer Alarm bei NO oder NC lässt sich nichts mit einfachem Kabelanschluss auslösen. Weder Abdechalarm noch Sabotage lassen sich auslösen. Bei dem HX Model ging das dagegen ganz einfach. Brauche dann wohl doch diese Eol_ Stecker oder noch etwas Nachhilfe.
|
|||
|
19-09-2018, 21:11
Beitrag: #14
|
|||
|
|||
|
RE: Optex-VXS-AM - Abschlusswiderstand
Jetzt mal ganz blöd gefragt:
Deine Anlage; hat die überhaupt eine Möglichkeit zur Parametrierung von Meldern mit der Zusatzfunktion einer Abdeckerkennung? 11.Gebot: Du sollst die Alarmanlage nicht kombiniert mit einer Türverschlusseinrichtung deaktivieren. —- Fragen bitte immer ins Forum und nicht meinen Postkasten anfüllen. DANKE! |
|||
|
19-09-2018, 21:38
Beitrag: #15
|
|||
|
|||
|
RE: Optex-VXS-AM - Abschlusswiderstand
die xt2plus kann das ohne weiteren Sensorausgang doch gar nicht auswerten. Ausserdem sieht die Parametriervorlage doch gar keine Abdecküberwachung vor. Hier müsste man über eine Hilfskrücke was basteln.
Ein Sensoreingang Alarm, ein Weiterer für die Störungen. Sabo und Abdeck in einem geht meines Erachtens nicht, da die xt2 keine Widerstandsauswertung kennt. Das wäre erst ab der xt3 möglich, da habe ich das schon realisiert.Jedoch muss man die unterschiedlichen Störungen klar benennen. Wahre Männer lesen keine Bedienungsanleitung! Erfahrung ist eine nützliche Sache. Leider macht man sie immer erst kurz nachdem man sie brauchte. (Goethe) |
|||
|
20-09-2018, 07:24
Beitrag: #16
|
|||
|
|||
|
RE: Optex-VXS-AM - Abschlusswiderstand
Die XT2plus lässt über den Drahtlossensoreingang nur eine Benachrichtigung zu. Ich möchte auch keine differenzierten Meldungen für Maskierung und Sabotage (in erster Linie wird eine Kamera angesteuert). Es würde mir genügen, wenn ich den BW dazu bekäme, bei Maskierung und Sabo ein Signal zu geben. Also: Arm+Maskierung+Sabo über ein Signalkabel am Sensoreingang. Beim HX habe ich die Signalkabel Arm +Maskierung in Reihe geschaltet. Beim VXS funktioniert das nicht.
|
|||
|
20-09-2018, 20:23
Beitrag: #17
|
|||
|
|||
|
RE: Optex-VXS-AM - Abschlusswiderstand
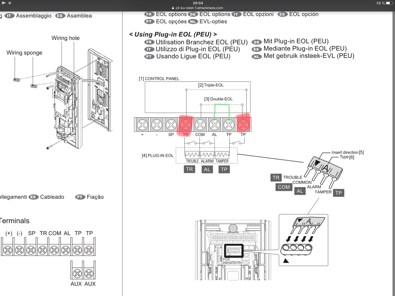
Hab mir jetzt mal so einen Beipackzettel von dem Melder geladen. Hoffentlich der Richtige.
![]() So wie du das jetzt haben möchtest klemmst bei den rot markierten Klemmen deinen Sensoreingang an und machst den Bügel der in grün gezeichnet ist auch rein. Gehäuse schliessen sonst hast gleich Saboalarm. 11.Gebot: Du sollst die Alarmanlage nicht kombiniert mit einer Türverschlusseinrichtung deaktivieren. —- Fragen bitte immer ins Forum und nicht meinen Postkasten anfüllen. DANKE! |
|||
|
21-09-2018, 07:24
Beitrag: #18
|
|||
|
|||
|
RE: Optex-VXS-AM - Abschlusswiderstand
Moin evertech,
diese Kombi hatte ich doch tatsächlich nicht ausprobiert. Ganz großes Dankeschön für die Mühe. Die BW hatte ich vor dem Herbststurm noch schnell verbaut, so dass ich heute nach Arbeitsschluss dann das Ganze am "offenen Herzen" teste. Melde mich heute spätestens morgen wieder (je nach Dienstschluss vor oder nach Regen/Dunkelheit). Gruß |
|||
|
23-09-2018, 11:21
Beitrag: #19
|
|||
|
|||
|
RE: Optex-VXS-AM - Abschlusswiderstand
Hallo evertech,
einen Tag Verspätung für die Rückmeldung bitte ich zu entschuldigen. Deine Schaltung funktioniert! Tolle Unterstützung. Vielen herzlichen Dank! Gruß |
|||
|
24-09-2018, 15:05
Beitrag: #20
|
|||
|
|||
|
RE: Optex-VXS-AM - Abschlusswiderstand
Biddeschön,
![]() .....und hast nicht doch noch ein zwei Drähtchen frei damit wenigstens die Sabotagemeldung 24h läuft? 11.Gebot: Du sollst die Alarmanlage nicht kombiniert mit einer Türverschlusseinrichtung deaktivieren. —- Fragen bitte immer ins Forum und nicht meinen Postkasten anfüllen. DANKE! |
|||
|
|
| Möglicherweise verwandte Themen... | |||||
| Thema: | Verfasser | Antworten: | Ansichten: | Letzter Beitrag | |
| Optex Außenbewegungsmelder | xenium | 2 | 4.476 |
23-05-2013 09:33 Letzter Beitrag: xenium |
|
Benutzer, die gerade dieses Thema anschauen: 1 Gast/Gäste
Suche
Mitglieder
Kalender
Hilfe





.
bei mir. Hab gedacht du brauchst nur Widerstände. Aber dir fehlt ja auch noch der Plan dazu wie man die Dinger mit den Farbringen verdrahtet.