|
DIY USB Kabel für Complex
|
|
10-01-2023, 17:30
Beitrag: #1
|
|||
|
|||
|
DIY USB Kabel für Complex
Hallo Foristen,
die hier [1] vom Comline 2016e gezeigte Pin-Belegung passt auch bei der Complex. 5V TTL UART, funktioniert einwandfrei mit einem FTDI USB/Serial TTL Adapter aus der Bastelkiste. Als Stecker verwende ich einen Hirschmann MIS100 10-poligen DIN-Stecker. Hardware Flow Control wird anscheinend nicht verwendet, flashen & vergleichen geht mit dieser Verbindung auch. lg Hari [1] - https://www.alarmforum.de/showthread.php?tid=2491 |
|||
|
13-01-2023, 14:02
Beitrag: #2
|
|||
|
|||
|
RE: DIY USB Kabel für Complex
Noch eine kleine Ergaenzung: Perfekt ist der Ansatz nicht, sobald das Kabel angesteckt ist (habs auch ohne die 5V probiert) kommt eine Sabotagemeldung der Bedienteile. Alle Bedienteile zeigen den Status und die Zeit noch korrekt an, die Bedienung ist aber nicht moeglich und es gibt eine Sabotagemeldung ("Bedienteil reagiert nicht"). Das ist uebrigens das gleiche Verhalten das laut Kommentaren bei einem grossen Online-Haendler auch beim MK-CONNECT USB Programmierkabel Kabel auftritt, zumindest in der ersten Version. Ich werde bei Gelegenheit mal per Optokoppler galvanisch trennen und testen ob sich das Verhalten bessert.
|
|||
|
13-01-2023, 19:41
Beitrag: #3
|
|||
|
|||
|
RE: DIY USB Kabel für Complex
Hallo Hari, wenn man ganz viel Zeit und Lust hat, kann man sich an einem Entwicklerboard mit Schnittstellenwandler austoben... oder man nimmt einfach das Original
Planung + Verkauf - Video+ Alarmtechnik / Lupus XT4 Upgrade. Einzigartiges Konzept: Sie erhalten fertig vorbereitetes Material und wir montieren per whatsapp Video gemeinsam. einbruchschutz-siegen.de |
|||
|
13-01-2023, 22:19
Beitrag: #4
|
|||
|
|||
|
RE: DIY USB Kabel für Complex
Habe mir auch so ein USB Kabel angefertig,funktioniert zum auslesen und Programmieren einwandfrei.
Der Sabotagealarm wird auch an meinen vier Bedienteilen und den comlocks 410 gemeldet sobald der USB erkannt wird. Es st keine Quittierung der Sabotage möglich da keine Bedienbarkeít der BTs 400 / 820 / 800 mehr möglich ist. Sobald aber der Datentransfer gestartet wird sind die Piezos der BTs dann ruhig. Habe auch eine aktive 10m USB Verlängerung dran getestet und funktioniert einwandfrei. Es lassen sich auch alte comline 32er damit auslesen und programmieren. |
|||
|
24-01-2023, 14:06
Beitrag: #5
|
|||
|
|||
|
RE: DIY USB Kabel für Complex
Also es scheint kein galvanisches Problem zu sein, ich hab mal einen ADUM1201 Optokoppler dazwischen gehaengt. Kommunikation laeuft einwandfrei ueber den Koppler, aber die Sabotage bei den Bedienteilen wird weiterhin ausgeloest. Frag mich was es sonst noch sein soll.. Jedenfalls loest die Sabotage nicht aus wenn nur RX und TX verbunden sind, ground aber nicht - dann funktioniert aber logischerweise keine Uebertragung. Wobei die Sabo dann so aber doch ausloest wenn der PC schlafgen geht und das FTDI Interface stromlos wird. Daher dachte ich zuerst eben doch an irgendein Problem mit Masse, Pegeln, etc.
Waere interessant zu wissen wie der MAX236 im originalen Interface genau angeschlossen ist. Vielleicht koennte man daraus etwas ableiten. Ich versuchs jedenfalls noch mal mit einem anderen USB Serial TTL Interface, wenn ich es denn irgendwann finde (ja, die Bastelkiste *ist* gross *hahaha*) @ssb-security: andere spielen Sudoku :-p lg Hari |
|||
|
24-01-2023, 14:20
Beitrag: #6
|
|||
|
|||
|
RE: DIY USB Kabel für Complex
Ich find das basteln ja echt cool aber kommt man soviel günstiger wie das Original zu kaufen ?
Material +Zeit? |
|||
|
24-01-2023, 14:33
Beitrag: #7
|
|||
|
|||
RE: DIY USB Kabel für Complex
(24-01-2023 14:20)Privateruser schrieb: Ich find das basteln ja echt cool aber kommt man soviel günstiger wie das Original zu kaufen ?Materialaufwand fuer den Stecker ist 2 EUR, ein USB Adapter kostet auch nur ein paar EUR. Die Zeit fuer Hobbies darfst nicht rechnen, das is klar, ist ja auch meine private Spielerei. |
|||
|
24-01-2023, 15:43
Beitrag: #8
|
|||
|
|||
| RE: DIY USB Kabel für Complex | |||
|
25-01-2023, 11:46
Beitrag: #9
|
|||
|
|||
|
RE: DIY USB Kabel für Complex
@Feuermelder danke fuer die Korrektur, das hatte ich falsch in Erinnerung. Hast Du eventuell ein Foto vom Innenleben?
Am FTDI liegt es jedenfalls nicht, ein PL2303 zeigt das gleiche Verhalten. |
|||
|
27-03-2024, 00:22
Beitrag: #10
|
|||
|
|||
|
RE: DIY USB Kabel für Complex
Falls es einem noch Hilft, hier mal Bilder aus einem Original Kabel
https://ibb.co/VxMBKZF https://ibb.co/VL9zf22 |
|||
|
15-04-2024, 22:33
Beitrag: #11
|
|||
|
|||
|
RE: DIY USB Kabel für Complex
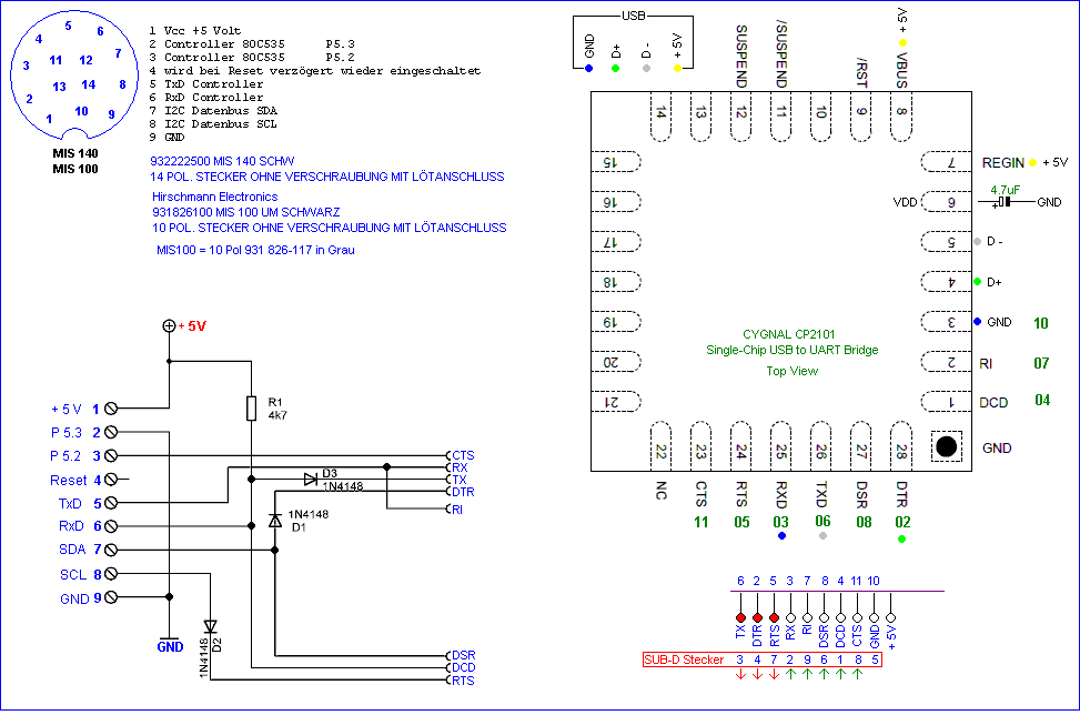
hier der Schaltplan zum Alten Telenot kabel
hier mein nachbau für alle zentralen auch die Alten 71er oder die twg`s keine sabotage probleme Experte für Heitel SVR 4 und SVR 10 Videoserver Systeme und Telenot 51er 71er 73er 75er Complex Serie Programmiergeräte und Datenkabel vorhanden |
|||
|
26-06-2024, 21:48
Beitrag: #12
|
|||
|
|||
|
RE: DIY USB Kabel für Complex
Moin,
ich habe gesehen das Telenot die "originalen" Parametrierkabel abgekündigt hat und nun die Kabel von MK-CONNECT ganz offiziell im Onlineshop verkauft. Ich würde mal mutmaßen das die MK-CONNECT Kabel nun vollständig und ohne diverse Sabotagemeldungen funktionieren. Hat jemand von Euch schon mal das MK-CONNECT Kabel von Telenot gekauft und ausprobiert ? Viele Grüße, Tobi |
|||
|
|
Benutzer, die gerade dieses Thema anschauen: 1 Gast/Gäste
Suche
Mitglieder
Kalender
Hilfe




