|
DIY EFH , was benötige ich?
|
|
18-09-2018, 07:45
Beitrag: #21
|
|||
|
|||
|
RE: DIY EFH , was benötige ich?
@Paddy_0511 falls Du planst, die Komponenten in Polen zu besorgen, bitte darauf achten, dass die Zentrale aus BRD kommen muss, da sie die Landessprache spricht.
Die Komponenten übernehmen die Sprache der Zentrale. Bitte mit dem jeweiligen Zulieferer abklären, da Satel hier eine sukzessive Änderung einfliessen lassen wollte. |
|||
|
18-09-2018, 08:24
Beitrag: #22
|
|||
|
|||
|
RE: DIY EFH , was benötige ich?
>Ich wollte das Bedienteil und die Zentrale in DEU kaufen und den Rest in Polen, kann man doch so machen oder nicht?
|
|||
|
18-09-2018, 08:46
Beitrag: #23
|
|||
|
|||
|
RE: DIY EFH , was benötige ich?
Ja. Ich habe aber meine INT-TSIs auch in Polen gekauft. Sie nehmen die Sprache der Zentrale an.
Satel Integra 64 Plus, alles diskret verdrahtet, kein Funk, 2xINT-TSI, 2xSatel Grey Dual, 6xVD-1, 8xS1, 1xB-3A, INT-VG, ETHM1-Plus, INT-GSM LTE, 2xSPW100, SP-4003. In Betrieb seit 02.01.2016.
|
|||
|
18-09-2018, 12:36
Beitrag: #24
|
|||
|
|||
|
RE: DIY EFH , was benötige ich?
War bei mir auch so.
Integra 128 plus mit 2x INT-TSI |
|||
|
18-09-2018, 13:56
Beitrag: #25
|
|||
|
|||
|
RE: DIY EFH , was benötige ich?
Achso, INT-TSI nimmt automatisch die Sprache dann an? Das wäre ja klasse. Was für ein Gehäuse nehmt ihr? Welcher Akku?
|
|||
|
18-09-2018, 15:40
Beitrag: #26
|
|||
|
|||
|
RE: DIY EFH , was benötige ich?
Ich habe dieses hier gleich mit der Zentrale zusammen bestellt:
https://roteiv-shop.de/SATEL-Gefahrenmel...RA-64-PLUS Akku hat 7,2Ah. Ich habe aber noch einen Zweiten für das 2. INT-TSI, auch 7,2 Ah (separates Gehäuse). Akkus auch in Polen bestellt
Satel Integra 64 Plus, alles diskret verdrahtet, kein Funk, 2xINT-TSI, 2xSatel Grey Dual, 6xVD-1, 8xS1, 1xB-3A, INT-VG, ETHM1-Plus, INT-GSM LTE, 2xSPW100, SP-4003. In Betrieb seit 02.01.2016.
|
|||
|
18-09-2018, 21:19
Beitrag: #27
|
|||
|
|||
|
RE: DIY EFH , was benötige ich?
Ich habe das OMI-306 Gehäuse und den 17Ah Akku.
Das Gehäuse ist zwar recht gross, aber dadurch genug Platz für die Kabel und alles was rein sollte. Wenn Du den Platz hast, dann ist es meine Empfehlung. Auch weil in der Betriebsanleitung zur 128+ steht, dass man 80VA Netzteil nehmen soll. Wusste ich vorher nicht, aber ist im OMI 306 mit drin. Und der grosse Akku passt auch locker rein. Da ich teilweise recht dicke Kabel verlegt habe (Unterputz) war das OMI306 recht gut. Akkus, Gehäuse und Zentrale habe ich in BRD bestellt. Das Gehäuse gibt es aber inzwischen auch in Polen günstiger. Zu meiner Zeit noch nicht. Schau auch mal in meinen Threat. Dort steht einiges zu meiner Anlage und zu meinen Anfängerproblemen. |
|||
|
19-09-2018, 15:57
Beitrag: #28
|
|||
|
|||
|
RE: DIY EFH , was benötige ich?
Danke. Was für ein modul brauche ich, wenn ich möchte das ich eine SMS bekomme, wenn ein Alarm ausgelöst wird? Und brauche ich für die Transponder Chips ein Gerät zum Programieren oder reicht das das INT-SCR mit dem ich den Chip anlerne?
|
|||
|
20-09-2018, 13:57
Beitrag: #29
|
|||
|
|||
|
RE: DIY EFH , was benötige ich?
Achso , noch eine Sache. Der MK kontakt hat ja 4 Adern. Ich brauche bei der 2DEOL Verdrahtung doch nur 2 Adder, also den Schließer vom MK Kontakt oder? Sabotage muss ich nicht anschließen, korrekt?
|
|||
|
20-09-2018, 14:13
Beitrag: #30
|
|||
|
|||
|
RE: DIY EFH , was benötige ich?
Wenn dir dann einer das Kabel zwischen Magneten und Klemmstelle durchschneidet bekommst du das nicht mit. Daher ist es besser, die Tamperleitungen mit in den Sabotagewiderstand (2EOL) einzuschleifen.
Satel Integra 64 Plus, alles diskret verdrahtet, kein Funk, 2xINT-TSI, 2xSatel Grey Dual, 6xVD-1, 8xS1, 1xB-3A, INT-VG, ETHM1-Plus, INT-GSM LTE, 2xSPW100, SP-4003. In Betrieb seit 02.01.2016.
|
|||
|
20-09-2018, 14:44
Beitrag: #31
|
|||
|
|||
|
RE: DIY EFH , was benötige ich?
Also quasi die COM leitung als Rückführung über den Sabotagekontakt laufen lassen?
|
|||
|
20-09-2018, 15:37
Beitrag: #32
|
|||
|
|||
|
RE: DIY EFH , was benötige ich?
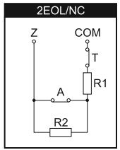
Damit wir uns nicht missverstehen s. anhängendes Bild
![]() A ist der Magnetkontakt T ist der Sabotagekontakt. Den gibt es hier beim Magnetkontakt in Form der TMP-Schleife (das ist eine durchgehende Drahtverbindung durch das Gehäuse vom Reedkontakt). D.h. du legst die beiden TMP-Anschlüsse in Reihe zum R1. Ob davor oder dahinter ist eigentlich egal, da du den Widerstand ja in der gleichen Anschlussdose verbauen wirst, wo auch das Kabel vom Magnetkontakt rein kommt. Aber auf jeden Fall noch vor dem Knotenpunkt, der zum Magnetkontakt abzweigt. Satel Integra 64 Plus, alles diskret verdrahtet, kein Funk, 2xINT-TSI, 2xSatel Grey Dual, 6xVD-1, 8xS1, 1xB-3A, INT-VG, ETHM1-Plus, INT-GSM LTE, 2xSPW100, SP-4003. In Betrieb seit 02.01.2016.
|
|||
|
20-09-2018, 17:25
Beitrag: #33
|
|||
|
|||
|
RE: DIY EFH , was benötige ich?
Ja, genau so meinte ich das. Also brauche ich mind 2x2x0,6 pro Dose. Von jeder Dose wollte ich dann in unseren HWR zur Zentrale gehen.
|
|||
|
20-09-2018, 21:41
Beitrag: #34
|
|||
|
|||
|
RE: DIY EFH , was benötige ich?
Warum mind. 2x2x0,6? 2 Adern würden reichen. Die 4 Adern des Magnetkontaktes werden in der Anschlussdose verdrahtet. Von der Anschlussdose zur Zentrale reichen 2 Adern. Natürlich kannst du 2x2x0,6 legen, dann hast du 2 Adern in Reserve.
Satel Integra 64 Plus, alles diskret verdrahtet, kein Funk, 2xINT-TSI, 2xSatel Grey Dual, 6xVD-1, 8xS1, 1xB-3A, INT-VG, ETHM1-Plus, INT-GSM LTE, 2xSPW100, SP-4003. In Betrieb seit 02.01.2016.
|
|||
|
20-09-2018, 23:48
Beitrag: #35
|
|||
|
|||
|
RE: DIY EFH , was benötige ich?
Sorry meinte ich. Ja, denke 2 in Reserve langen. Keine Ahnung ob man sie je braucht. Die iderstände kommen auch gleich in die Dose, korrekt?
Wie lange hast du für die Programmierung gebraucht? |
|||
|
21-09-2018, 06:49
Beitrag: #36
|
|||
|
|||
RE: DIY EFH , was benötige ich?
(20-09-2018 23:48)Paddy_0511 schrieb: Sorry meinte ich. Ja, denke 2 in Reserve langen. Keine Ahnung ob man sie je braucht. Die iderstände kommen auch gleich in die Dose, korrekt? Ja, Widerstände kommen in die Anschlussdose vom Magnetkontakt. Die Programmierung hat mich deutlich mehr Zeit gekostet als die Hardwareinstallation. Bis die Programmierung halbwegs meine Anforderungen umgesetzt hat, habe ich bis zur ersten Scharfschaltung mindestens 40h investiert (inkl. Recherche im Forum).Dann lief die Anlage ein halbes Jahr im Testbetrieb mit schallreduzierter Sirene (Vorwiderstand). Für das Feintuning sind in den darauffolgenden 2 Jahren mindestens nochmal so viel Stunden drauf gegangen. Habe gerade kürzlich wieder einen Programmierfehler offenbart (ungewolte Alarmauslösung bei bestimmter Handlungsabfolge), der mich ein paar Stunden beschäftigt hat, bis ich ihn durch Umprogrammierung eliminieren konnte. Satel Integra 64 Plus, alles diskret verdrahtet, kein Funk, 2xINT-TSI, 2xSatel Grey Dual, 6xVD-1, 8xS1, 1xB-3A, INT-VG, ETHM1-Plus, INT-GSM LTE, 2xSPW100, SP-4003. In Betrieb seit 02.01.2016.
|
|||
|
21-09-2018, 07:52
Beitrag: #37
|
|||
|
|||
|
RE: DIY EFH , was benötige ich?
@Paddy_0511: Hast du ein oder mehrere Stockwerke bzw. "Ballungsgebiete"? Wenn ja, setz zwischendurch ein zentrales INT-E (Linienerweiterung) und gehe von dort zu den Meldern bzw. zur Zentrale. Kann dir je nach Objekt erheblich die Verkabelung erleichtern. Und je nach Auslastung des Moduls kann auch irgendwann nachgerüstet werden (Rauchmelder, Wasser, oder was weiß ich).
Wer Anderen eine Grube gräbt ist erst einmal selbst im Loch. |
|||
|
21-09-2018, 12:15
Beitrag: #38
|
|||
|
|||
|
RE: DIY EFH , was benötige ich?
Das INT-E würde ich nur nehmen, wenn die Linien der Zentrale nicht mehr ausreichen. Für den Preis des INT-E kann ich 300m 2x2x0,6 kaufen, habe keine zusätzliche Elektronik die ausfallen kann und muss mich nicht mit der Programmierung des INT-E auseinandersetzen.
In einem normalen Einfamilienhaus können die Distanzen gar nicht so groß sein, dass sich das INT-E wirklich lohnt. Im Zweifelsfall habe ich immer noch die Möglichkeit einen Zwischenverteiler zu setzen, den ich von der Zentrale mit einem 8-12adrigen Kabel versorge und von da mit kleineren Leitungen zu den Meldern gehe. Satel Integra 64 Plus, alles diskret verdrahtet, kein Funk, 2xINT-TSI, 2xSatel Grey Dual, 6xVD-1, 8xS1, 1xB-3A, INT-VG, ETHM1-Plus, INT-GSM LTE, 2xSPW100, SP-4003. In Betrieb seit 02.01.2016.
|
|||
|
21-09-2018, 13:06
Beitrag: #39
|
|||
|
|||
|
RE: DIY EFH , was benötige ich?
das INT-E liegt aber spürbar unter dem Stundenlohn
Wenn mir das Modul also eine Stunde Arbeit abnimmt ist das Geld schon wieder raus. Jetzt überlege mal wie lange du für das Schlitzen, Ziehen, Fixieren der 300 Meter Kabel brauchst. Satel Videotutorials: https://www.youtube.com/c/aslademcogmbh |
|||
|
21-09-2018, 13:27
Beitrag: #40
|
|||
|
|||
|
RE: DIY EFH , was benötige ich?
Ok, ich bin vom DIY ausgegangen, wie der TE einer ist. Bei einem Errichter sieht die Rechnung verständlicherweise anders aus. Der muss sich auch nicht in die Programmierung von dem Teil einarbeiten. Er kann es schon
![]() Ich gehe auch nicht davon aus, dass ich in einem Einfamilienhaus 300m Kabel spare, wenn ich ein INT-E verwende. Ich habe in meinem Neubau die Alarmleitungen gar nicht eingeschlitzt. Meist einfach auf der Außenwand angenagelt und dann kam die Dämmung drüber. Ansonsten viel über den Fußboden - vor dem Estrich . Im Technikraum dann mit Kabelkanal zur Zentrale geführt.Und im Altbau geht man ja meist auf Funk, damit man nicht schlitzen muss. Satel Integra 64 Plus, alles diskret verdrahtet, kein Funk, 2xINT-TSI, 2xSatel Grey Dual, 6xVD-1, 8xS1, 1xB-3A, INT-VG, ETHM1-Plus, INT-GSM LTE, 2xSPW100, SP-4003. In Betrieb seit 02.01.2016.
|
|||
|
|
| Möglicherweise verwandte Themen... | |||||
| Thema: | Verfasser | Antworten: | Ansichten: | Letzter Beitrag | |
| Ich habe eine alte Satel-Anlage und brauche nun eine neue und habe Fragen: | Knappe Frank | 6 | 2.771 |
16-06-2024 13:28 Letzter Beitrag: funkistnichtalles |
|
| Bin ich dumm? Oder: Integra "Alarm Tag"-Ausgangstyp | AaronK | 0 | 1.772 |
19-04-2022 19:03 Letzter Beitrag: AaronK |
|
| Satel Integra als DIY | Sijobo | 31 | 24.425 |
27-01-2021 22:59 Letzter Beitrag: Sijobo |
|
| Satel Integra 64 Was kann ich noch verlangen? | Tobias Kluge | 1 | 3.977 |
11-06-2019 18:51 Letzter Beitrag: Animal |
|
| INT-IT (verstehe ich das richtig) | heimerdinger | 1 | 3.008 |
12-05-2016 20:39 Letzter Beitrag: Animal |
|
| Wie kann ich entsperren? | Hogend | 3 | 5.383 |
23-02-2016 23:45 Letzter Beitrag: Hogend |
|
| Benötige Hilfe bei der Projektierung | Hogend | 0 | 2.284 |
06-01-2016 00:17 Letzter Beitrag: Hogend |
|
Benutzer, die gerade dieses Thema anschauen: 1 Gast/Gäste
Suche
Mitglieder
Kalender
Hilfe




Satel Integra 64 Plus, alles diskret verdrahtet, kein Funk, 2xINT-TSI, 2xSatel Grey Dual, 6xVD-1, 8xS1, 1xB-3A, INT-VG, ETHM1-Plus, INT-GSM LTE, 2xSPW100, SP-4003. In Betrieb seit 02.01.2016.