|
Telefonbau und Normalzeit
|
|
27-04-2014, 17:17
Beitrag: #1
|
|||
|
|||
|
Telefonbau und Normalzeit
Hallo Zusammen, ich habe zzt. ein wenig Stress mit meiner T & N UNZ 1030. Die Bedienungsanleitung ist noch vorhanden. Die Installationsanleitung leider nicht. Diese ist auch im Internet nicht zu finden. Ich finde sie zumindest nicht. Hat noch jemand eine Installationsanleitung von dieser Anlage? Und kann sie mir ggf. zu Verfügung stellen? Liebe Grüße Olaf Nein, ich lebe nicht im einem Museum. Die Anlage war bereits vor mir im Haus. |
|||
|
27-04-2014, 19:41
Beitrag: #2
|
|||
|
|||
|
RE: Telefonbau und Normalzeit
Um was für ein Problem handelt es sich?
Die Zentrale ist so alt, dass nur noch wenige Menschen überhaupt in der Lage sind diese Anlage zu entstören. Alle meine Beiträge schreibe ich nach bestem Wissen und Gewissen, aber ohne Gewähr. Kein Support über Email oder Private Nachricht! |
|||
|
28-04-2014, 12:05
Beitrag: #3
|
|||
|
|||
|
RE: Telefonbau und Normalzeit
Hallo rukoollo,
herzlichen Dank für deine Antwort. Ja, die Anlage ist alt. Ich denke (hoffe) aber, dass ich ein Blockschlossthema habe. Thematik: Anlage funktioniert bis auf gelegentliche Auslösung (ca. jedes 10. Mal) beim "unscharf" schalten via Blockschoss. Die Anlage kann nur mit Blockschloss scharf/unscharf geschaltet werden. Den ersten Verdächtigen (Kabel Tür zu Türzarge an der Blockschlosstür) habe ich schon Ohmmäßig (mit Kurzschlußcheck) durchgemessen. Ohne Befund. Jetzt werde ich wohl mal das Blockschloss ausbauen und schauen, ob ich dazu noch Unterlagen finde. Blockschloss hat 4 Kabel + 2x Sabo zum ersten Lötverteiler. Es sei denn du hast eine bessere Idee? Danke Liebe Grüße Olaf |
|||
|
29-04-2014, 19:50
Beitrag: #4
|
|||
|
|||
|
RE: Telefonbau und Normalzeit
Was für ein Alarm bekommst du denn beim Unscharfschalten? Sabotage oder Einbruch?
Wenn das Blockschloß ein NBS10 ist kann dir dazu Unterlagen zukommen lassen Alle meine Beiträge schreibe ich nach bestem Wissen und Gewissen, aber ohne Gewähr. Kein Support über Email oder Private Nachricht! |
|||
|
30-04-2014, 14:57
Beitrag: #5
|
|||
|
|||
|
RE: Telefonbau und Normalzeit
Hi,
das NBS10 ist ja auch so ein Uraltteil , das noch mit (IMHO 4) Mikrotastern bestückt ist. Da ist nix weiter an "Technik" drin.Da wird sicher einer der Taster das Zeitliche segnen. Die kann man aber relativ einfach und preiswert selber austauschen, das ist "Standardware". Grüße ToWo |
|||
|
01-05-2014, 15:51
Beitrag: #6
|
|||
|
|||
|
RE: Telefonbau und Normalzeit
Hallo rukoolla,
mit dem Blockschloss (NBS 10) liegst du nach meinen Recherchen genau richtig. Ich würde mich sehr freuen wenn du mir den Stromlaufplan schicken kannst. Nummern auf dem Blockschloss: Fabrik Ser.Nr.: 115490 VdS: G181026 ---30.0202.3295 Laut Bosch (Internet) gehört Schaltplan 300-30.0202.3295 dazu. Deine erste Frage kann ich zzt. leider nicht beantworten (ist aber sehr gut), da man bei externem Alarm erst mal die Nachbarn beruhigen darf. => Anlage zurücksetzen => externer Alarm aus => Anrufe beantworten Um hier weiter zu kommen, muss ich erst mal die Sirene/Blinklampe abklemmen und versuchen den Fehler zu reproduzieren. Das geht ohne Schaltplan leider auch wieder nur von außen nach innen. => Also direkt an der Sirene/Blinklampe in ca. 10m Höhe. Danke und viele Grüße Olaf Hallo ToWo, ja, im Lötverteiler sind noch Microschalter. Im NBS 10 habe ich aber auf Anhieb keine Microschalter gefunden. Viele Grüße Olaf |
|||
|
01-05-2014, 16:46
Beitrag: #7
|
|||
|
|||
|
RE: Telefonbau und Normalzeit
Hier ein Foto von einem NBS10 (ohne den Kreuzbart-Schliesseinsatz).
Man sieht im unteren Drittel weiße Mikroschalter, die den Schliesseinsatz gegen Aufbohren oder Aufsperren ("Picken") überwachen, ausserdem sieht man auch die Rundum-Mäander-Platinen, die gegen Sabotage durch Bohren überwachen und auch schadhaft sein könnten. Also interessant, ob bei Dir Sabotage ausgelöst wird, oder was genau sonst passiert. Grüße mh |
|||
|
01-05-2014, 18:00
Beitrag: #8
|
|||
|
|||
|
RE: Telefonbau und Normalzeit
Hallo mh,
vielen Dank für dein Foto des NBS 10 und deine Ausführung. Anbei ein Foto meines NBS 10 zur besseren Übersicht was verbaut ist. Weißt du wie die "Microschalter" des NBS 10 funktionieren? Mechanisch; Elektrisch (elekto-magnetisch); Magnetisch ? Liebe Grüße Olaf |
|||
|
01-05-2014, 18:25
Beitrag: #9
|
|||
|
|||
|
RE: Telefonbau und Normalzeit
Hi,
das sind ganz poplige "mechanische" Mikrotaster. ![]() Das Schloss kann eigentlich nur Sabotagealarm auslösen. Da das nur beim Schließen passiert, solltest Du die beiden Taster, die über diese langen dünnen "Bleche" die Punktsicherung überwachen (auf Deinem Foto die rechts der Punktsicherung), während des Schließens mal ganz genau angucken. Einer davon ist mit an Sicherheit grenzender Wahrscheinlichkeit der Übeltäter. Die werden nämlich beim Schließen ein bissl bewegt. Und wenn die langen "Bleche" im Laufe der Zeit nachgegeben haben, dann lösen sie beim Betätigen der Punktsicherung aus. Du kannst es mit VORSICHTIGEM Nachbiegen versuchen. Die Punktsicherung ausbauen und dann die Bleche wieder etwas "vorspannen". Dass der Bohrschutz kaputt ist, glaube ich eher nicht. Guck Dir nur mal die abgebaute Platte an, ob die Punktsicherung innen irgendwo schleift. Grüße ToWo |
|||
|
01-05-2014, 18:57
Beitrag: #10
|
|||
|
|||
|
RE: Telefonbau und Normalzeit
Mit "Punktsicherung" meinst Du den Kreuzbart-Schliesseinsatz, nicht wahr?
Ich denke auch, dass einer der beiden mechanischen Mikroschalter auslöst, der prüfen soll, ob dieser Einsatz ausgebohrt wurde. |
|||
|
01-05-2014, 19:10
Beitrag: #11
|
|||
|
|||
|
RE: Telefonbau und Normalzeit
Hi,
ja, sorry! Du hast Recht. Ich bin gelernter (und bekennender) Ossi. ![]() Bei uns hießen diese Teile Punktsicherung. Die gab es sogar einzeln zum Nachrüsten für normale Buntbartschlösser. ![]() Grüße ToWo |
|||
|
01-05-2014, 22:08
Beitrag: #12
|
|||
|
|||
|
RE: Telefonbau und Normalzeit
Ich erinnere mich, auch z.B. mit orangen Schlüsseln.
Die waren aber (bzw. sind, Schlosssicherungen Gera hat sowas wohl immer noch im Programm) in keiner Weise mit den Ikon Schlössern vergleichbar, die im NBS10 verbaut sind. Wesentlich präziser, mit profilierten seitlichen Rippen, und eben mit zwei weiteren Gehäusestiften, die bei Ausbohren oder Picken ins Gehäuse eintauchen und besagte Mikroschalter auslösen. Grüsse mh |
|||
|
02-05-2014, 07:44
Beitrag: #13
|
|||
|
|||
|
RE: Telefonbau und Normalzeit
Hi,
auch wenn's jetzt OT wird..... Diese Punktsicherungen sind gegenüber den IKON-Teilen geradezu primitiv aufgebaut. Außerdem haben sie nur jeweils 2 Stifte an 3 Seiten. Zum Thema: Wenn die Bleche nicht verbogen sind, können auch die "Überwachungsstifte" abgenutzt sein. Grüße ToWo |
|||
|
02-05-2014, 18:16
Beitrag: #14
|
|||
|
|||
|
RE: Telefonbau und Normalzeit
NBS 10:
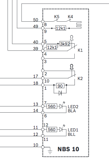
Kabelschirm (10 = weiß/grün und braun/grün) Blockschloßanzeige LED1 "BLL" (Adernfarbe: 11 = rot, 12 = rosa) Blockschloßlanzeige LED2 "BLA" (Adernfarbe: 13 = grün, 14 = grau) Blockschloßmagnet "BSM" (Adernfarbe: 17 = gelb, 18 = blau/rot) Blockschloß Sabotagemeldergruppe (Adernfarbe: 49 = weiß, 50 = braun) Blockschloß Primärleitung (Adernfarbe: 39 = schwarz, 40 = blau) Edit: Die Wiederstandswerte im Bild stimmen nicht mit deinem Zentralentyp überein. Alle meine Beiträge schreibe ich nach bestem Wissen und Gewissen, aber ohne Gewähr. Kein Support über Email oder Private Nachricht! |
|||
|
02-05-2014, 20:02
Beitrag: #15
|
|||
|
|||
|
RE: Telefonbau und Normalzeit
Hi,
und da sieht man, dass bei dieser Fehlerbeschreibung (eigentlich) nur K4 und K5 als Fehlerquelle in Frage kommen. Das sind genau die beiden Taster, die den Schließeinsatz überwachen. Die Blockschlosslinie selber kann bei einem defekten Taster keinen Alarm auslösen, da da ja einfach nur der 3.92k Widerstand parallel zu den 12k geschaltet wird oder nicht. Wenn dieser Taster (K1) kaputt sein sollte, dann wird die Anlage im schlechtesten Fall einfach nicht unscharf, mehr passiert da aber nicht. K2 schaltet im unscharfen Zustand nur den Blockmagneten ab, der scheidet als Fehlerquelle auch aus. Grüße ToWo PS: Testweise könnte man die beiden Anschlüsse der Sabolinie 49, 50; weiß, braun) im BS-Verteiler ablöten und statt dessen einen 12k Widerstand auf die Kontakte löten. Dann sollte Ruhe sein. Nur bitte das nicht als Dauerzustand, da das Schloss so keine Sabotageüberwachung mehr hat! Wie prekär das ist, kommt darauf an, wie "exponiert" das überwachte Objekt ist......
|
|||
|
04-05-2014, 19:58
Beitrag: #16
|
|||
|
|||
|
RE: Telefonbau und Normalzeit
Hallo zusammen,
ich möchte mich ganz herzlich bei euch allen bedanken! Ich werde euren Tipps nachgehen und mich wieder melden. DANKE Viele Grüße Olaf |
|||
|
28-05-2014, 17:56
Beitrag: #17
|
|||
|
|||
|
RE: Telefonbau und Normalzeit
Hallo zusammen,
hier ein kurzes Update zu meinen Forschungen rund um die T&N UNZ 1030. Was ist in den letzten drei Wochen passiert? 1.) NBS 10 ausgebaut und analysiert 2.) Ein wenig in die UNZ 1030 eingearbeitet (so weit das ohne Schaltplan für mich möglich war) 3.) Anlage wieder in Betrieb genommen zu 1.) Ich habe euch ein Foto des ausgebauten NBS 10 mit Bartschloss angehangen. Mein Fazit der Forschungen: Es ist sehr unwahrscheinlich, dass die Sabos im Blockschloss den Alarm beim Entsperren auslösen. Die Sabos sind immer mechanisch geschlossen und haben keine dynamischen Schließvorgänge mitzumachen. Zudem ist der mechanische Verschluss ("Bleche") sehr "hart". zu 2.) jeder Reed + Mikroschalter einer Tür/Fenster verfügt über eine eigene Linie (wird einzeln überwacht). Die Sabos des NBS 10 verfügen ebenfalls über eine eigene Linie. Jede Linie hat eine "Störungs-LED". Wenn es die Blockschloss Sabos sind, werde ich es beim nächsten Alarm einfach sehen (LED an). zu 3.) Ich habe die Anlage wieder in Betrieb genommen und warte seit 2 Wochen auf einen Alarm (ca. 30 Vorgänge inkl. Tests) um weiter forschen zu dürfen/müssen. Liebe Grüße Olaf |
|||
|
28-05-2014, 18:12
Beitrag: #18
|
|||
|
|||
|
RE: Telefonbau und Normalzeit
Nun, wenn jetzt alles passt ist es ja gut.
Wenn nicht - der Schliesseinsatz ist ja von zwei Mikroschaltern überwacht, der untere im Foto scheint nicht ganz so weit betätigt zu sein wie der obere. Wenn da jetzt noch der zugehörige Stift im Schliesseinsatz wackelt... |
|||
|
28-05-2014, 18:48
Beitrag: #19
|
|||
|
|||
|
RE: Telefonbau und Normalzeit
Hallo mh,
herzlichen Dank für deine Antwort! Ich hoffe du konntest meine Ausführungen unten entnehmen, dass ich mir nicht sicher bin ,dass ich die Lösung gefunden habe. Ich habe in der Tat keine Lösung gefunden! Ich warte auf den nächsten Alarm beim "unscharf" schalten der Anlage. Noch mal zu den Blockschoss Sabos: Das Foto verzerrt ggf.. Beide Sabos des NBS 10 werden durch die "Bleche" mechanisch ca. 1-2 mm tiefer geschaltet als nötig um den Schalter geschlossen zu halten. Viele Grüße Olaf |
|||
|
28-05-2014, 21:13
Beitrag: #20
|
|||
|
|||
|
RE: Telefonbau und Normalzeit
Ich warte gespannt und hoffe das du zu diesem Thema keine Neuigkeiten mehr haben wirst
Alle meine Beiträge schreibe ich nach bestem Wissen und Gewissen, aber ohne Gewähr. Kein Support über Email oder Private Nachricht! |
|||
|
|
Benutzer, die gerade dieses Thema anschauen: 1 Gast/Gäste
Suche
Mitglieder
Kalender
Hilfe



, das noch mit (IMHO 4) Mikrotastern bestückt ist. Da ist nix weiter an "Technik" drin.