|
Zwei Sprechanlagen an einer Telefonanlage
|
|
16-06-2007, 16:18
Beitrag: #1
|
|||
|
|||
|
Zwei Sprechanlagen an einer Telefonanlage
Hallo.
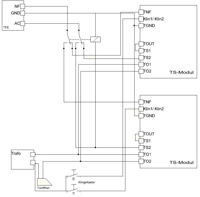
Manchmal möchte man zwei Türsprechstellen an einer Telefonanlage anschließen. Mit einem Relais (bistabil) ist es möglich. Vorschlag für den Anschluß an einer Auerswald-Telefonanlage (Zeichnung ist nicht vollständig für alle Schaltvarianten, bitte einfach anfragen bei Änderungswünschen): Gruß, Matthias Ich übernehme keine Gewähr für Tipps und Berechnungen, keine Haftung für Sach- oder Personenschäden. Schaltpläne können unvollständig sein und sind Vorschläge. Ich vertrete hier lediglich meine Meinung. Alle gängigen Normen und Vorschriften sind zu beachten. |
|||
|
07-07-2007, 16:49
Beitrag: #2
|
|||
|
|||
|
RE: Zwei Sprechanlagen an einer Telefonanlage
Hi,
wäre es dann nicht sinnvoler, als in der Verkabelung herumzuwühlen, das man die Sprechanlage auf jeweils eine A-B-Schnittstelle legt (Wandler FTZ - AB) und die Türöffner dann mit einen meistens in der TK-Anlage vorhandenen Relais schaltet ? Gruß Daschkey |
|||
|
07-07-2007, 18:56
Beitrag: #3
|
|||
|
|||
|
RE: Zwei Sprechanlagen an einer Telefonanlage
Hallo Daschkey,
wäre natürlich sinnvoller. Allerdings sind einige Anlagen bereits in der Bauphase so klein dimensioniert, daß man keine freie a/b-Schnittstelle mehr zur Verfügung hat. Außerdem gibt es ältere Telefonanlagen, an denen bereits eine Sprechstelle läuft, nun soll zusätzlich eine zweite aufgeschaltet werden, da man z. B. die Einliegerwohnung einbeziehen möchte, den Typ/ die Optik der Sprechstelle will man allerdings beibehalten. Die neue a/b-Schnittstelle für Sprechanlagen und die alte Schnittstelle nach FTZ123-12 sind leider nicht kompatibel, obwohl sie der gleichen Norm unterliegen. Die Anfrage kam von Kunden, deshalb dieser Vorschlag. Bereits in der Bauphase sollte man auf Zuwachs der Telefonanlage planen, da nach Murphy`s Gesetz sonst immer ein Anschluß fehlt. Eine Familie mit 1 Kind kann z. B ganz leicht 8 Apparate in Benutzung haben (Beispiel aus der Praxis): - Telefon Wohnzimmer/ Telefon Büro/ Telefon Keller/ Schnurlostelefon für Terrasse/ Telefon Kind/ Anrufbeantworter/ Türsprechstelle/ Faxgerät... Gruß, Matthias Ich übernehme keine Gewähr für Tipps und Berechnungen, keine Haftung für Sach- oder Personenschäden. Schaltpläne können unvollständig sein und sind Vorschläge. Ich vertrete hier lediglich meine Meinung. Alle gängigen Normen und Vorschriften sind zu beachten. |
|||
|
|
| Möglicherweise verwandte Themen... | |||||
| Thema: | Verfasser | Antworten: | Ansichten: | Letzter Beitrag | |
| Video-Türsprechanlage 2-Draht mit zwei Kameras gesucht | Marc | 31 | 8.129 |
20-03-2025 15:58 Letzter Beitrag: Marc |
|
| Generelle Frage zur Sicherheit von IP Video-Sprechanlagen | dt2510 | 11 | 16.611 |
16-04-2016 07:41 Letzter Beitrag: heimtek |
|
Benutzer, die gerade dieses Thema anschauen: 1 Gast/Gäste
Suche
Mitglieder
Kalender
Hilfe


