|
Esser Flex ES Alarmierungsmodul
|
|
04-08-2022, 08:39
Beitrag: #3
|
|||
|
|||
|
RE: Esser Flex ES Alarmierungsmodul
Danke für die schnelle Antwort.
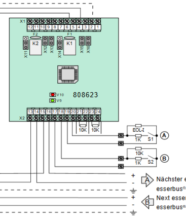
Wir haben es exakt so geklemmt wie in Anschaltbeispiel B. Dachten auch schon der Koppler sei Kaputt und haben den provisorisch getauscht um auch sowas auszuschließen, aber selber Fehler. Packe hier auch direkt mal die Softwareeinstellung rein, vielleicht hilft es ja weiter. |
|||
|
|
| Nachrichten in diesem Thema |
|
Esser Flex ES Alarmierungsmodul - JN98_ASW - 04-08-2022, 07:47
RE: Esser Flex ES Alarmierungsmodul - ah88985 - 04-08-2022, 08:20
RE: Esser Flex ES Alarmierungsmodul - JN98_ASW - 04-08-2022 08:39
RE: Esser Flex ES Alarmierungsmodul - ah88985 - 04-08-2022, 09:26
RE: Esser Flex ES Alarmierungsmodul - JN98_ASW - 04-08-2022, 09:38
RE: Esser Flex ES Alarmierungsmodul - Feuermelder - 04-08-2022, 10:09
RE: Esser Flex ES Alarmierungsmodul - ToWo - 04-08-2022, 10:10
RE: Esser Flex ES Alarmierungsmodul - JN98_ASW - 04-08-2022, 10:29
RE: Esser Flex ES Alarmierungsmodul - ToWo - 04-08-2022, 12:00
RE: Esser Flex ES Alarmierungsmodul - JN98_ASW - 04-08-2022, 12:04
RE: Esser Flex ES Alarmierungsmodul - dnsoft - 04-08-2022, 18:52
RE: Esser Flex ES Alarmierungsmodul - Feuermelder - 04-08-2022, 23:52
RE: Esser Flex ES Alarmierungsmodul - JN98_ASW - 05-08-2022, 07:42
RE: Esser Flex ES Alarmierungsmodul - JN98_ASW - 02-09-2022, 10:22
|
| Möglicherweise verwandte Themen... | |||||
| Thema: | Verfasser | Antworten: | Ansichten: | Letzter Beitrag | |
| Esser Flex | Matzen | 3 | 664 |
28-09-2025 19:30 Letzter Beitrag: Objekt907_SNF |
|
| ändern Meldertyp Esser Flex ES | Matzen | 3 | 3.170 |
06-11-2022 18:19 Letzter Beitrag: Matzen |
|
Benutzer, die gerade dieses Thema anschauen: 1 Gast/Gäste
Suche
Mitglieder
Kalender
Hilfe



